Кристаллический счётчик
Кристалли́ческий счётчик — детектор ионизирующих излучений на основе диэлектриков или широкозонных полупроводников, электрические свойства которых изменяются под действием ионизирующего излучения[1].
Физические основы и принцип работы
В некоторых диэлектриках и широкозонных полупроводниках электрические свойства зависят от воздействия внешнего ионизирующего излучения. Впервые этот эффект применялся в кристаллических счётчиках, регистрирующим веществом в котором был алмаз[2]. Хеерден изучил наиболее важные свойства кристаллических счётчиков, использовав монокристаллы при температуре °С.
При облучении диэлектрика или широкозонного полупроводника часть энергии излучения затрачивается на образование свободных электронов проводимости, обладающих некотором временем жизни перед тем, как они снова будут захвачены электронными ловушками (рекомбинируют) или частично и даже полностью потеряют сообщённую им энергию от ионизирующего излучения до уровня тепловой энергии кристалла. Если такой материал поместить во внешнее электрическое поле, то электроны проводимости начнут участвовать в процессе токопереноса, а интенсивность облучения материала будет пропорциональна величине протекающего в кристаллическом счётчике тока. Если до облучения материал счётчика обладал низкой электропроводностью, то появление электронов проводимости, её рост и величина могут служить индикаторами и средством измерения величины ионизирующего излучения. С помощью схемы регистрации тока через материал счётчика можно измерить величину излучения, попадающего на кристалл. С помощью осциллографа можно фиксировать электронный дрейф носителей заряда, возникших в результате ионизации кристаллического счётчика, а усилитель и дискриминатор можно использовать в качестве счётчика ионизирующих частиц.
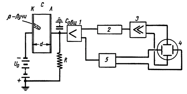
На рисунке 1 представлены кристаллический счётчик ионизирующего излучения и принципиальная схема его подключения. Здесь С — кристалл диэлектрика или широкозонного полупроводника с полученными вакуумным напылением или химическим осаждением электродами, из которых А — анод, К — катод, 1 — предусилитель, 2 — линия задержки, 3 — главный усилитель, 4 — осциллограф, 5 — цепь временной развёртки.
Если все электроны проводимости, возникшие вблизи катода, достигнут анода, то амплитуда импульса достигает насыщения при приложенном напряжении
,
где — число свободных электронов, возникающих под действием излучения, — заряд электрона, — суммарная ёмкость сетки, кристалла и подводящих проводников.
Если ионизирующее излучение обладает достаточной мощностью, чтобы создавать равномерную плотность электронов проводимости по всему объёму кристалла от катода до анода, то среднее смещение электрона равно половине толщины кристалла, а импульсы достигают насыщения при напряжении . В этом случае можно связать , толщину кристалла и среднее смещение :
.
График этой функции показан на рисунке 2.
Ясно, что наилучших характеристик кристаллического счётчика можно добиться с помощью материалов, обладающих малой энергией образование пары электрон — дырка, минимальной начальной электропроводностью, большим временем жизни носителей заряда и их подвижностью, по возможности минимальным количеством электронных ловушек и возможностей для рекомбинации свободных носителей заряда (минимальное сечение захвата носителей заряда ловушками), большой шириной запрещённой зоны, минимальным темновым током (то есть электрическим шумом счётчика), а также высокое качество контактов. Контакты должны быть омическими или близкими к омическим во избежание запирания электронов проводимости в областях пространственного заряда.
При изготовлении кристаллических счётчиков наибольшее распространение получили легированные литием кремний и германий (используемые, в основном, для регистрации -излучения), легированные теллурид кадмия , иодид ртути , арсенид галлия , компенсированные полупроводники, антимонид индия , а также хлорид серебра , бромид серебра , бромид теллура , фторид лития , и др.
Применение
Кристаллические счётчики используются для фиксации и измерений ионизирующих излучений, например, -излучения, космического излучения, в дозиметрии, частиц высоких энергий, бомбардировок ядрами, в научных экспериментах, ядерных исследованиях, и др.
Примечания
Литература
- Фюнфер Э., Нейерт Г. Счётчики излучений. — Москва : Государственное издательство литературы в области атомной науки и техники, 1961.
- Дирнли Дж., Нортроп Д. Полупроводниковые счётчики ядерных излучений. — Москва : Мир, 1966.
- Горн Л. С., Хазанов Б. И. Современные приборы для измерения ионизирующих излучений. — Москва : Энергоатомиздат, 1989.


