Москвич-412
Москвич-412 — советский и российский заднеприводной автомобиль II группы малого класса, выпускавшийся с октября 1967 по 1976 год на заводе МЗМА (АЗЛК) в Москве, и с 1967 по 1997 на Ижевском автозаводе в Ижевске.
Первоначально являлся версией автомобиля «Москвич-408» с более мощным двигателем. На АЗЛК обе модели выпускались параллельно вплоть до 1976 года, а затем, после очередного рестайлинга и модернизации, производство продолжилось под индексом 2140 (2138 — для М-408). Машины «Москвич-412» Ижевского завода модернизировались по собственной программе.
Что важно знать
| Москвич-412 | |||||||||||||||||||||||||||||||||||||||||||||||||||||||
|---|---|---|---|---|---|---|---|---|---|---|---|---|---|---|---|---|---|---|---|---|---|---|---|---|---|---|---|---|---|---|---|---|---|---|---|---|---|---|---|---|---|---|---|---|---|---|---|---|---|---|---|---|---|---|---|
| Общие данные | |||||||||||||||||||||||||||||||||||||||||||||||||||||||
| Производитель |
МЗМА/АЗЛК (1967-1976) Иж (1967-1997) |
||||||||||||||||||||||||||||||||||||||||||||||||||||||
| Годы производства | 1967—1997 | ||||||||||||||||||||||||||||||||||||||||||||||||||||||
| Сборка |
|
||||||||||||||||||||||||||||||||||||||||||||||||||||||
| Класс | малый II группы | ||||||||||||||||||||||||||||||||||||||||||||||||||||||
| Иные обозначения |
Moskvich 412 Elite 1500 |
||||||||||||||||||||||||||||||||||||||||||||||||||||||
| Дизайн и конструкция | |||||||||||||||||||||||||||||||||||||||||||||||||||||||
| Тип кузова | 4‑дв. седан (5‑мест.) | ||||||||||||||||||||||||||||||||||||||||||||||||||||||
| Платформа | МЗМА-408 | ||||||||||||||||||||||||||||||||||||||||||||||||||||||
| Компоновка | переднемоторная, заднеприводная | ||||||||||||||||||||||||||||||||||||||||||||||||||||||
| Колёсная формула | 4 × 2 | ||||||||||||||||||||||||||||||||||||||||||||||||||||||
| Двигатель | |||||||||||||||||||||||||||||||||||||||||||||||||||||||
|
|||||||||||||||||||||||||||||||||||||||||||||||||||||||
| Трансмиссия | |||||||||||||||||||||||||||||||||||||||||||||||||||||||
| 4-ступенчатая МКПП | |||||||||||||||||||||||||||||||||||||||||||||||||||||||
| Массогабаритные характеристики | |||||||||||||||||||||||||||||||||||||||||||||||||||||||
| Длина | 4250 мм | ||||||||||||||||||||||||||||||||||||||||||||||||||||||
| Ширина | 1550 мм | ||||||||||||||||||||||||||||||||||||||||||||||||||||||
| Высота | 1480 мм | ||||||||||||||||||||||||||||||||||||||||||||||||||||||
| Клиренс | 173 мм | ||||||||||||||||||||||||||||||||||||||||||||||||||||||
| Колёсная база | 2400 мм | ||||||||||||||||||||||||||||||||||||||||||||||||||||||
| Колея задняя | 1270 мм | ||||||||||||||||||||||||||||||||||||||||||||||||||||||
| Колея передняя | 1270 мм | ||||||||||||||||||||||||||||||||||||||||||||||||||||||
| Масса | 1045 кг | ||||||||||||||||||||||||||||||||||||||||||||||||||||||
| На рынке | |||||||||||||||||||||||||||||||||||||||||||||||||||||||
| Связанные |
Москвич-408, Москвич-427, Иж-2125 «Комби», Иж-2715 |
||||||||||||||||||||||||||||||||||||||||||||||||||||||
| Похожие модели |
Москвич-408, ВАЗ-2101 «Жигули», ВАЗ-2103 «Жигули», Opel Kadett B, Ford Cortina, Fiat 125, Peugeot 304, Simca 1500, Ford Escort Mark I, BMW Neue Klasse и др. |
||||||||||||||||||||||||||||||||||||||||||||||||||||||
| Другая информация | |||||||||||||||||||||||||||||||||||||||||||||||||||||||
| Грузоподъёмность | 400 кг | ||||||||||||||||||||||||||||||||||||||||||||||||||||||
| Объём бака | 46 л. | ||||||||||||||||||||||||||||||||||||||||||||||||||||||
| Дизайнер | Борис Иванов, Марат Елбаев, Велихан Арутюнян | ||||||||||||||||||||||||||||||||||||||||||||||||||||||
История создания
Создание модификации с более мощным и высокооборотным двигателем было предусмотрено ещё на этапе проектирования «Москвича-408», причём для истребования у государства денег на новый мотор разрабатывалась спортивная модификация автомобиля. На практике освоение спортивного варианта «Турист» (с открытым кузовом, называемом тогда на итальянский манер «гран-туризмо») не состоялось, автомобиль даже и не получил собственного индекса, однако начатые под спортивным «соусом» разработки двигателя продолжились и к середине шестидесятых привели к появлению на свет 1,5-литрового верхневального мотора модели М-412[1]. Этот двигатель, за неимением иного, был установлен в модифицированный кузов серийного М-408, в результате чего динамические возможности автомобиля резко повысились, по сути подобравшись к объективному пределу возможностей его шасси.
Вплоть до начала выпуска «412-го» автомобили «Москвич» всегда имели по сравнению с современной им продукцией Горьковского завода несколько большую нагрузку на мощность, и, соответственно, несколько меньшую максимальную скорость и несколько худшую динамику разгона. «Москвич-412» резко выделялся из этого ряда — по нагрузке на мощность (13,9 кг/л. с.) он выглядел значительно лучше в сравнении не только с современной ему «Волгой» ГАЗ-21 (19 кг/л. с.), но и перспективной на тот момент ГАЗ-24 (15,5 кг/л. с.). Таких маленьких, но относительно мощных автомобилей в СССР до этого не выпускалось, что было в диковинку водителям тех лет, привыкшим к устоявшейся ещё во времена «Победы» и «400-го» «Москвича» «табели о рангах» автомобилей.[2] Впоследствии сложившееся положение получило дальнейшее развитие в связи, с одной стороны, с отказом от серийного выпуска мощной шестицилиндровой модификации ГАЗ-24, а с другой — с появлением «люксовых» модификаций «Жигулей», ВАЗ-2103 и 2106, которые не только оставляли «Волгу» позади по динамике, но и вплотную догнали её по розничной цене и степени престижности[источник не указан 1081 день].
На момент своей постановки в производство в 1967 году «Москвич-412», как и «Москвич-408», собирался в кузове образца 1964 года, с каплевидными вертикальными задними фонарями и круглыми фарами головного света. Так как ряд узлов «Москвича-412», — в частности, более широкий радиатор — не вписывался в подкапотное пространство «408-го» кузова, самые первые экземпляры новой модели сходили с конвейера в кузовах, специально доработанных за счёт изменения ряда элементов; затем, в том же 1967 году, был введён так называемый «унифицированный» кузов — ещё со старым оформлением, но пригодный для установки и «408-го», и «412-го» силовых агрегатов без переделок.
Между тем, одновременно началась и разработка для «Москвичей» обновлённого кузова, причём перед его создателями была поставлена цель максимальной унификации по силовым элементам с существующим, в частности, должны были остаться неизменными проёмы дверей и крыша.
В результате проведённой модернизации, с декабря 1969 года обе модели (и М-408, и М−412) получили изменённый кузов, в который без переделок могли быть установлены оба имевшихся в производстве силовых агрегата. Наряду с некоторым внешним осовремениванием, модернизированный кузов был доведён до соответствия принятым в те годы требованиям пассивной безопасности, что было подтверждено сертификационными испытаниями во Франции. В частности, все кузова получили крепления для ремней безопасности, которые стали штатным оборудованием в 1969 году, а выступающие элементы салона стали травмобезопасными, с мягкими накладками (с февраля 1969 года — только на АЗЛК; на ижевской (самой массовой) версии мягкие элементы салона появились только в 1976 году). Поэтому к обозначениям обеих моделей были добавлены буквы И и Э, означающие соответствие установленным ЕЭК ООН нормам пассивной безопасности и, соответственно, потенциальную возможность экспортирования в развитые страны. Вообще, «Москвич-412ИЭ» стал первым советским автомобилем, на котором вопросам пассивной безопасности было уделено серьёзное внимание. Двухконтурная же система тормозов (на АЗЛК — с 1969 года) серьёзно улучшила и активную безопасность автомобиля. В 1974 году появились клыки на бамперах (на АЗЛК), также являющиеся элементом пассивной безопасности — они предотвращали «подныривание» машины под препятствие[уточнить].
Визуальная новизна обновлённого автомобиля обеспечивалась применением горизонтальных фонарей с треугольными указателями поворота сзади и прямоугольных фар производства ГДР (также ставились на автомобили Wartburg Wartburg 353). Сохраняя декоративные «плавники» задних крыльев, символизирующие преемственность дизайна автомобилей марки, «Москвич» получил принципиально новое оформление спереди: фонари сигналов поворота вытянулись и заняли места под фарами, а решётка радиатора получила узор в виде клетки с широкими низкими ячейками.
В серию такие машины пошли на МЗМА с декабря 1969 года, и примерно тогда же на «Ижмаше». Параллельно «Москвич-412» получил салон с раздельными передними сиденьями (ещё с января 1968 года) и рычаг коробки передач в полу (с ноября 1968 года), одновременно с новой, травмобезопасной (складывающейся при ударе) рулевой колонкой и рычагом стояночного тормоза между передними сиденьями. «Москвич-408» также получил раздельные сиденья, но рычаг переключения передач до конца 1971 года оставался на рулевой колонке старого образца (на некоторых экземплярах — до середины 1973 года).
Помимо этого, на протяжении всего выпуска в конструкцию автомобиля вносились и другие, менее заметные изменения и улучшения. Хотя с 1969 года «Москвич-412ИЭ» стал базовой моделью московского завода, выпуск «Москвича-408ИЭ» при этом был сохранён.
Грузоподъёмность автомобилей ВАЗ и живучесть их ходовой части были существенно ниже, что предопределило на ближайшие десятилетия «разделение труда» между этими автомобилями, — «Москвич» стал восприниматься в роли менее комфортабельного, но более крепкого и проходимого автомобиля, хорошо подходящего для поездок на природу или на дачу с поклажей, в то время, как «Жигули» пользовались репутацией динамичной «шоссейной» машины (впоследствии та же самая участь постигла и сами «классические» модели ВАЗ в сравнении с переднеприводными).
Слабым местом была 4-ступенчатая коробка передач, спроектированная в основных своих деталях, унаследованных, по сути, ещё от 407-й модели. Небольшие габариты ограничили возможности инженеров создать прочную и надёжную коробку, так что в паре с существенно более мощным силовым агрегатом коробка имела сравнительно невысокую долговечность и высокий процент преждевременного выхода из строя. В остальном, автомобиль унаследовал характерные для своих предшественников высокую конструктивную простоту, надёжность, неприхотливость к условиям эксплуатации и ухода. В частности, двигатель УЗАМ-412, не уступая по степени форсирования, мощностным показателям и ресурсу моторам ВАЗ, мог работать на маслах типа АС-8 / М-8Б, в то время как для мотора «Жигулей» требовалось особое масло специально введённой для них категории «Г» (М-12Г и аналогичные).
В 1971 году завод МЗМА претерпел реконструкцию, после пуска нового конвейера объём выпуска «Москвичей» увеличился почти в два раза. В том же году интерьер Москвичей (и 408ИЭ, и 412ИЭ) производства АЗЛК прошёл модернизацию: панель приборов вместо нескольких отдельных мягких накладок получила одну общую, появились новые обшивки дверей, внутренние ручки и так далее.
Логика предшествующей истории завода АЗЛК / МЗМА давала основание воспринимать модель «412ИЭ» как переходную: подновлённый кузов в сочетании с принципиально новым двигателем. Именно таким образом, за счёт «переходных» серий, происходила смена поколений на МЗМА в 1950-е — 1960-е годы.
Однако, несмотря на многочисленные попытки заводских конструкторов в начале 1970-х годов спроектировать автомобиль, сочетающий новый, современный кузов и механику модели «412» (см. «Москвичи» серии 3-5 и «Москвичи» серии С), замена «412-му» семейству фактически появилась только в 1980-е годы, и это был уже совершенно другой автомобиль, — Москвич-2141, переднеприводной хэтчбек, созданный на базе кузова французской «Simca-Chrysler 1307» и уже устаревшего к тому времени двигателя УЗАМ-412.
Модификации
Базового седана:
- Москвич 412 — базовый седан.
- Москвич 412И (до 1969 года) — в специальном исполнении, соответствующий европейским нормам безопасности.
- Москвич 412ИЭ — все М-412 с 1969 года имели буквы ИЭ, так как новый кузов изначально соответствовал европейским нормам безопасности и теоретически мог экспортироваться.
- Москвич 412К — машинокомплект для сборки за границей.
- Москвич 412М — медицинской службы.
- Москвич 412П — праворульный, рычаг КПП только напольный.
- Москвич 412Т — такси (широкого распространения не получил).
- Москвич 412У — учебный, с дополнительными педалями и нанесением цветографической схемы.
- Москвич 412Э — экспортный.
- Москвич 412Ю — в тропическом исполнении.
- Москвич 412 ралли — спортивная версия для участия в ралли.
Универсалы и фургоны:
- Москвич 427 — базовый универсал.
(буквенные индексы аналогично седанам)
- Москвич-434 — базовый фургон.
В 1972 году был обновлён фургон М-433 (на базе М-408), версия с двигателем М-412 получила обозначение «Москвич 434». В отличие от раннего М-433 пятую дверь сделали цельной. Также был модернизирован универсал Москвич-426 (тоже на базе М-408), в версии с новым мотором он получил индекс М-427, задние фонари остались прежними. От предыдущей модели отличался цельной задней дверью, поднимаемой вверх.
Малосерийные и опытные:
- Москвич 412Р — спортивные версии с форсированными двигателями, в том числе с «двухвальными» головками блока цилиндров 412-Г(412-2В) объёмами 1,5, 1,6, 1,8 л, развивавшими мощность в диапазоне 99-140 л. с.
Варианты решёток радиатора
Ижевские «Москвичи» и сборка за рубежом
В 1967 году, параллельно с развёртыванием выпуска «Москвича-412» в Москве, аналогичные автомобили стали производить вместо «Москвича-408» на построенном на импортной производственной базе оборонного предприятия ижевском автозаводе, курируемом министром оборонной промышленности Д. Устиновым.
Марка «Москвич» в обозначения моделей при этом была сохранена — и все автомобили ижевского производства обозначались именно как «Москвич-412» (позднее, после появления обновлённого кузова, — «Москвич-412ИЭ»), хотя и несли заводской знак ижевского завода на решётке радиатора. Первой моделью, выпущенной под самостоятельной маркой «Иж», был Иж-2125 «Комби». Несмотря на это, в отраслевой прессе 1970-х гг. применялись (и до сих пор применяются) наименования «Иж-Москвич-412» и даже «Иж-412», хотя более точным является «ижевский „Москвич-412“». Впоследствии ижевские «Москвичи» развивались и модернизировались в целом независимо от московских[источник не указан 1150 дней].
За счёт более высокого уровня контроля качества на фактически оборонном предприятии, являющемся частью производственного объединения «Ижмаш», по целому ряду свидетельств автомобили ижевского производства в советское время были собраны существенно лучше, чем их аналоги производства АЗЛК, — в частности, завод в Ижевске практически не допускал производственного брака[3]. Тем не менее, изначально неавтомобильный профиль производства давал о себе знать — например, отделка салонов ижевских «Москвичей» была в целом выполнена грубее, чем у московских.
М-412 выпускался в Ижевске до весны 1998 года (отдельные партии до 2003), в том числе в версиях кузова пикап — Иж-2715 (c 1972 года) и «комби» — Иж-2125 (с 1973 года); недолго, но выпускался в Ижевске и фургон «Москвич-434».
До 1968-69 годов автомобиль внешне полностью соответствовал 412-м «Москвичам» производства АЗЛК в «старом», «408-м» кузове с вертикальными задними фонарями, за исключением эмблемы «Иж» на решётке радиатора (отличной от более поздних эмблем «Иж») и руле. Ближе к концу этого периода, ещё на «старом» кузове, появилась решётка радиатора с изменённым рисунком (два горизонтальных бруса вместо трёх).
С 1969 года ижевский седан получил новый кузов (412ИЭ) с горизонтальными задними фонарями (в таком же кузове стали собирать и седаны АЗЛК). Но если московские «Москвичи» вместе с новым кузовом получили ещё и новую решётку радиатора с широкими подфарниками и дефицитные прямоугольные фары производства ГДР, то ижевский «Москвич-412ИЭ» сохранил круглые фары и решётку с двумя горизонтальными брусьями. Прямоугольными фарами и близкой по дизайну, но отличавшейся от использовавшейся на машинах производства АЗЛК решёткой (с вертикальным рисунком) были снабжены лишь отдельные партии ижевских автомобилей, предназначенные для экспортирования, в период с 1972 по 1974 год.
В 1982 году был проведён рестайлинг, появились двери с утопленными в филёнки ручками (отличные от аналогичных на «Москвиче-2140»), крашеная в чёрный цвет решётка радиатора. Новая модификация получила обозначение «Москвич-412ИЭ-028». Примерно в то же время кузов седана был унифицирован с пикапом и комби по конструкции силовых элементов, получив «средние» лонжероны — усилители пола салона, соединяющие передний и задний подрамники.
Экспортировались ижевские автомобили наряду с московскими и под теми же брендами[когда?]. Пикап Иж-2715 продавали в Финляндии как Elite PickUp, так как базовый седан был там известен как Elite 1500. Также М-412 собирался из советских комплектующих в городе Ловеч в Болгарии под обозначением Rila, как и модель «408» с 1967 года.
В 1969 году на автосборочном заводе при машиностроительном комбинате «Балкан» в городе Ловеч был освоен выпуск «Москвич-412» (под наименованием «Rila»)[4]. Первоначально машины собирали из деталей советского производства, в дальнейшем степень локализации увеличивалась за счёт использования деталей болгарского производства[5]. С 1976 года там же собирались модели «Москвич-2140» и с 1988 — «Москвич-2141 Aleko» (под названием «Moskvitch Balkan»).
Отвёрточной сборкой «Москвичей» из машинокомплектов занимались и в Бельгии, на фирме Scaldia-Volga S.A.. Здесь они были известны под маркой «Moskvitch Scaldia 1500». В качестве опции предлагались дизельные двигатели — изначально британской фирмы Perkins Engines, позднее — французской Peugeot-Indenor. Интерьеры «Скалдий» были серьёзно видоизменены относительно исходной советской версии. Комплектации предлагались: Normal, LS, Elita и Rally.
В Финляндии дилером «Москвича» была фирма Konela. Полноценной сборкой из машинокомплектов она не занималась, но её варианты «Москвичей» также были существенно доработаны относительно исходников в отношении экстерьера, отделки салона, и, зачастую, технической части.
Описание конструкции
Сохранив дорогостоящие в производстве силовые элементы кузова, крышу и проёмы дверей, а также многие узлы шасси и конструктивные решения «408-го», М-412 во многом выгодно отличался от него[источник не указан 2428 дней]. Впервые на массовом советском легковом автомобиле нашли применение верхневальный двигатель, полностью синхронизированная на передачах переднего хода коробка передач, система тормозов с гидровакуумным усилителем, полнопоточный масляный фильтр, воздушный фильтр с быстросменным сухим элементом — узлы, без которых невозможно себе представить современный автомобиль, но в середине шестидесятых годов только начавшие появляться на автомобилях подобного класса.
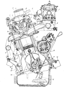
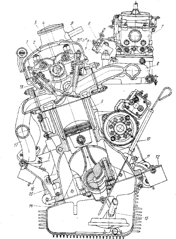
Главной новинкой модели был двигатель, разработанный Игорем Ивановичем Окуневым. Возможности старого, ведущего свою родословную ещё от довоенного Opel Kadett, мотора модели М-408 были к тому времени полностью исчерпаны, поэтому новый двигатель никак не был связан с ним конструктивно или технологически. Первые опытные образцы нового двигателя появились в 1964 году. «Обкатывалась» конструкция на гоночном автомобиле Москвич-Г4М, использовавшем его форсированный вариант (92 л. с.) — на этом автомобиле мастер спорта В. Щавелев занял четвёртое место на первенстве СССР 1966 года по кольцевым гонкам.
Двигатель был разработан целиком и полностью конструкторским коллективом завода МЗМА, причём первые разработки верхнеклапанного двигателя с полусферическими камерами сгорания и алюминиевым блоком цилиндров (проект «406») на «Москвиче» относятся ещё к середине пятидесятых годов. Тем не менее, прототип довольно многих конструктивных решений финальной версии этого мотора угадать несложно — новейший, по тем временам, силовой агрегат BMW M10 в версии с рабочим объёмом 1500 см³ (она обозначалась М115 и выпускалась до 1977, а само семейство двигателей М10 просуществовало на конвейере до 1987 года) — агрегат сам по себе исключительно удачный и совершенный по тем временам, хорошо зарекомендовавший себя как в обычной эксплуатации, так и в спорте.
Вместе с тем, ни копией, ни дальнейшей разработкой этого двигателя УЗАМ-412 не являлся, и имеет от него существенные отличия, — в частности, другую геометрию цилиндров, иное конструктивное решение большинства систем, и так далее.
Впрочем, утверждается, что и специалистами BMW та самая общая с двигателем «Москвича» конструкция алюминиевой головки блока с полусферическими камерами сгорания и V-образно расположенными клапанами, в течение весьма длительного времени бывшая характерной для моторов этой фирмы, тоже была «подсмотрена» у двигателя фирмы Talbot на Парижском автосалоне 1935 года[6].
Главная внешняя особенность двигателя «Москвича-412», определяющая его специфический внешний вид — наклонённый вправо по ходу движения блок цилиндров. Это решение позволило сделать двигатель более компактным, снизить центр тяжести автомобиля и «вписать» высокий верхневальный мотор в сравнительно низкий моторный отсек существующего кузова.
Под литой из алюминия крышкой головки блока с красивой надписью «Москвич-412» скрывалась весьма современная для 1967 года конструкция: верхний распредвал, приводимый в движение пластинчатой цепью с натяжителем-звёздочкой, и приводимые коромыслами клапана, расположенные буквой V по обе стороны от распредвала. Эта схема широко использовалась на высокопотенциальных двигателях тех лет — BMW, Honda, и так далее.
Необычной была и полусферическая форма камеры сгорания, обеспечивавшая лучшие условия сгорания рабочей смеси, стало быть — увеличивавшая КПД двигателя. Аналогичное решение принесло успех семейству двигателей HEMI американской фирмы Chrysler (выпускаются до сих пор с минимальными изменениями) и вышеупомянутому BMW M10.
Блок цилиндров был выполнен из алюминия с чугунными сменными гильзами, что позволяло капитально ремонтировать двигатель простой заменой гильз, не требовавшей серьёзного станочного оборудования расточки, необходимой в случае чугунного блока цилиндров.
При рабочем объёме в 1480 см³, двигатель М−412 развивал 75 л. с., что по тем временам было неплохим результатом для автомобиля подобного класса: скажем, Автомобиль 1967 года в Европе — Fiat-124 — имел нижневальный двигатель мощностью 60 л. с., в мощной версии «1400 Special» — 79 л. с. Двигатель BMW 1500 при том же рабочем объёме развивал те же 75 л. с. (80 л. с. в версии с другим карбюратором), правда, при незначительно большем крутящем моменте (118 Н*м против 108 Н*м у Москвича).
В конце 1960-х — начале 1970-х годов мощный, современный, не требовательный к эксплуатационным материалам и очень надёжный двигатель был основным козырем «412-го» и на внутреннем рынке, и на экспортном. До появления в 1972 году «люксовой» модели ВАЗ-2103 М-412 был самым быстрым из массовых советских автомобилей.
При в целом достаточно высоких для своего времени динамических характеристиках, двигатель отличался достаточно плохой тяговитостью на низких оборотах[источник не указан 2428 дней]. Это обусловлено относительной короткоходностью при высоком форсировании и особенностями фаз газораспределения, а именно — большой фазой открытия клапанов: 282° против 232° у ВАЗ-2101. Такая широкая фаза открытия клапанов обусловила высокие, по тем временам, обороты, при которой достигалась максимальная мощность, и более характерный для спортивных моторов «подхват» тяги лишь после 3-4 тыс. об./ мин, лишив двигатель необходимой эластичности, что в повседневной эксплуатации вызывало неудобства. Так, для эксплуатации в сельской местности, с характерными для неё грунтовыми дорогами, долгое время рекомендовалась версия со старым, «408-м» мотором, менее мощным, но с высокой эластичностью и хорошей тягой «на низах». К конструктивным просчётам можно отнести склонность к детонационному горению смеси, так и не устранённую до самого окончания выпуска двигателя. Не вполне удачно с точки зрения ремонта и обслуживания был решён и ряд узлов двигателя — так, для замены переднего сальника коленвала было необходимо снять всю переднюю крышку двигателя вместе с насосом системы охлаждения и разобрать привод распределительного вала.
В СССР были освоены пришедшие в страну вместе с «Жигулями» намного более совершенные эксплуатационные материалы, включая современные моторные масла группы «Г», более совершенные трансмиссионные масла, универсальные литиевые смазки, антифризы и так далее. Переход на масла и прочие эксплуатационные жидкости, рекомендованные для «Жигулей», резко повышал все показатели «Москвича» в отношении удобства эксплуатации, вплотную приближая его в этом отношении к изделиям Волжского завода. Так, использование «жигулёвских» масел в двигателе и трансмиссионных агрегатах, а также «Тосола» в системе охлаждения, снимало большую часть проблем, с которыми сталкивались при зимней эксплуатации «Москвича» владельцы, заливавшие в соответствии с Руководством по эксплуатации масло АС-8 / М-8Б в двигатель, нигрол в коробку передач и воду в систему охлаждения.[2]
В конце 1960-х для установки на спортивно-гоночные версии автомобиля на АЗЛК были созданы версии двигателя объёмом 1,5-1,6-1,7-1,8 л. с двумя распределительными валами в головке цилиндров (DOHC) при сохранении восьми клапанов. Такая схема была широко распространена в те годы на европейских высокопотенциальных двигателях (примеры — Jaguar XJ, Fiat 125, Alfa Romeo Giulia). Мощность составляла от 100 до 125 л. с.
Вплоть до появления модели ВАЗ-2103 советские спортсмены предпочитали именно «Москвичи», потому что двигатели семейства «1500» легко форсировались и давали хорошую отдачу по мощности, чему способствовали большие площади сечения каналов головки блока цилиндров, плавный профиль каналов, поперечный газовый поток, мокрые гильзы цилиндров, улучшавшие теплоотвод, что немаловажно для форсированного двигателя. Важным преимуществом двигателя ВАЗ-2103 был более жёсткий чугунный блок цилиндров без отдельных гильз, который в то же время обладал парой относительных недостатков — одностороннее расположение каналов ГБЦ, из-за чего происходил подогрев рабочей смеси выпускными газами, и сильная кривизна каналов, что в конечном счёте снижало мощность мотора из-за повышенного сопротивления потоку и создавало определённые трудности по форсировке, так как близость каналов под охлаждающую жидкость ограничивала возможность по увеличению проходного сечения.
В последние годы производства на базе двигателя УЗАМ-412 были созданы серийные варианты рабочим объёмом 1,7, 1,8 и 2,0 литров для установки на автомобили Москвич-2141 «Святогор» и Иж-2126 «Ода», однако они не получили широкого распространения в связи с прекращением выпуска этих автомобилей.
В 1990-е годы также существовали прототипы вариантов с четырьмя клапанами на цилиндр и распределённым впрыском топлива. Наиболее совершенный двигатель УЗАМ-248i, разработанный совместно с фирмой AVL, развивал 115 л. с.
Также двигатели УЗАМ за свою надёжность и ресурс получили распространение в семействе катеров «Амур» и «Восток». В судовом исполнении в интересах ресурса мощность двигателя ограничена до 60 л. с. при 4500 об/мин путём подбора винта не позволяющего двигателю в воде развить больше 4500 об/мин даже с полностью открытым дросселем, применены двухконтурная система водяного охлаждения и охлаждаемый выхлопной коллектор. Использовались они и на автопогрузчиках.
Во многом именно благодаря разработкам МЗМА на автомобилях ВАЗ двигатель имел верхний распредвал; на их прототипе — FIAT-124 — двигатель был нижневальным, как, например, на «Волге» или более ранних «Москвичах». Только после длительных переговоров и во многом благодаря стараниям главного конструктора АЗЛК Андронова итальянцы уступили требованиям советской делегации спроектировать двигатель более современной конструкции, что, впрочем, повлекло за собой определённые проблемы с ресурсом[7] распределительного вала двигателей ВАЗ. Сцепление — усиленное, с пружиной диафрагменного типа (впервые в отрасли), выпускалось по лицензии британской фирмы Borg & Beck.
Представляла собой модернизированный вариант уже выпускавшейся «408-й», унаследовав от неё не вполне удачный, в особенности — при напольном расположении рычага переключения передач, привод внешними тягами. В отличие от неё, на новой КПП все передачи переднего хода были синхронизированы.
В целом, коробка передач считалась явным слабым местом «Москвича-412»: по статистике, 10 % коробок, ушедших с завода в Омске, не дорабатывали даже до пробега 63 тыс. км, а нормативный средний ресурс до первого ремонта составлял 100 тыс. км (у коробки передач ВАЗ — вдвое больше: 120 и 200 тыс. км соответственно).[3]
| Передача | I | II | III | IV | R | Главная передача |
|---|---|---|---|---|---|---|
| Передаточное число 412 | 3,49:1 | 2,04:1 | 1,33:1 | 1,0:1 | 3,39:1 | 3,91:1 |
| Передаточное число 2125 | 3,49:1 | 2,04:1 | 1,33:1 | 1,0:1 | 3,39:1 | 4,22:1 |
Кузов с оборудованием и шасси в целом остались аналогичны Москвичу-408. Модернизация обеих моделей проводилась параллельно, и унификация в дальнейшем сохранялась, но на М-412 многие изменения внедрялись раньше, чем на М-408. Так, на нём раньше появились напольный рычаг переключения передач и панель приборов с единой мягкой накладкой.
Кузов с 1969 года был оборудован для соответствия европейским нормам пассивной безопасности (до этого до них доводили лишь кузова машин, шедших на экспорт).
Москвич-412 за рубежом
Москвич-412 широко предлагался на внешнем рынке вплоть до середины семидесятых годов. География экспорта включала как страны соцлагеря, так и западноевропейские государства (Франция, Бельгия, Нидерланды, Великобритания, ФРГ, Финляндия, Скандинавские страны, Греция и другие), а также страны Латинской Америки (Куба, Никарагуа, Ямайка, Панама).
На экспорт М-412 шёл под брендами, представляющими собой различные варианты латинизированного написания слова «Москвич» — Moskvich, Moskvitch, Moskwitsch, Moskvitsh; или (на некоторые рынки) как Moskvitch Elite 1500 или просто Elite 1500 (также на финских рекламных листках встречается обозначение Elite 1500 Cavalier), и пользовался до середины семидесятых относительно неплохим спросом, в том числе в странах Западной Европы.
Экспортные машины отличались улучшенным оформлением (в основном это касается хромированных молдингов по низу дверей), до 1969 года часть экспортируемых автомобилей оснащалась четырёхфарной системой головного освещения (но не все). Сборка автомобилей, идущих на экспорт, была такой же, как и обычных.
Преимущественно на экспорт шли автомобили производства АЗЛК, модернизация которых шла быстрее. Ижевские же «Москвичи» в основном продавались на внутреннем рынке, хотя отдельные партии седанов также экспортировались, а «Комби» и пикапы предлагались за рубежом достаточно широко.
Иностранные дилеры, особенно в семидесятые годы, когда модель уже стала устаревать, нередко устанавливали элементы дилерского декорирования — например, другие сидения, «клыки» на бамперах, вентиляционные отверстия на задних стойках крыши, скрытые декоративными решёточками; окрашивали в контрастный цвет крышу («под винил»). Тем не менее, в целом «Москвич» оставался «Москвичом» — отличия в основном носили косметический характер. Наиболее масштабные модификации же выполняла бельгийская фирма Scaldia-Volga, даже оснащавшая отдельные партии «Москвичей» дизельными двигателями и продававшая их под своим брендом.
Наиболее успешным периодом для экспорта «Москвичей» был рубеж шестидесятых и семидесятых годов. Весьма способствовало росту их популярности удачное выступление в нашумевших ралли-рейдах вроде «Лондон-Сидней» (1968) и «Лондон-Мехико» (1970), «Западные Сафари — Аргунгу»[8][9] (1973) и других, в которых машина показала себя надёжной и приспособленной для тяжёлых дорожных условий. Именно консервативная, но крепкая конструкция была основным козырем «Москвича-412», наряду с достаточно современным и относительно мощным двигателем, особенно — по стандартам его ценовой группы.
В автоспорте
Благодаря надёжной, живучей конструкции, относительно мощному двигателю и таланту гонщиков, «Москвичи-412» неплохо выступили в трансконтинентальном марафонском пробеге «Лондон — Сидней» (1968, 16 тыс. км) — четвёртое место в общекомандном зачёте; Ралли «Лондон — Мехико» (1970)[10] (1970, 26 тыс. км) — третье место в общекомандном зачёте (после заводских команд фирм Ford и British Leyland), лучший из экипажей занял двенадцатое место в индивидуальном (сложность маршрута показывает тот факт, что всего тогда финишировало 23 автомобиля различных марок из 96 стартовавших); «Тур Европы»[11] (1971); «Золотые пески»[12][13] (этап чемпионата Европы, Болгария, 1971); «Западные Сафари — Аргунгу»[8][9] в Нигерии (начало 1973 года; второе, третье, пятое места, из 27 стартовавших автомобилей финишировало восемь, в том числе — все три «Москвича» без серьёзных поломок); «Рейд польский»[13] (этап чемпионата Европы, 1972); и других.
В этих пробегах «Москвичи» соревновались в том числе и с намного более дорогими, крупными и мощными автомобилями. Список изменений Москвичей включал местное усиление кузова, каркас безопасности из труб, «люстру» противотуманных фар, защиту картера двигателя, пневматические звуковые сигналы, высотный корректор в карбюраторах, навигационные приборы, дополнительный топливный бак и диски колёс увеличенной ширины. В таком виде Москвич потяжелел на ~500 кг, мощность же собранного вручную мотора лишь немного превосходила показатели штатного (80 — 81 л. с.).
В августе 1968 года серийный «Москвич-412» стал на чемпионате страны первым, а всего на счету этой модели 15 побед в общесоюзных чемпионатах. В частности, выдающийся ижевский спортсмен Владимир Гольцов на ижевском «Москвиче» трижды становился чемпионом СССР по ралли (1977—1979 гг.), дважды чемпионом СССР по автокроссу (1979—1980 гг.), и семь раз чемпионом СССР по трековым гонкам (1979—1985 гг.).[источник не указан 1310 дней]
В 1971 году три «Москвича-412» по инициативе бельгийцев участвовали в суточном марафоне 24 часа Спа на трассе Спа-Франкоршам, в рамках гоночной серии ETCC. Показали в квалификации три последних результата, уступив даже автомобилям более младших групп. Однако по причине серьёзных технических неисправностей из этого марафона выбыли многие машины именитых западных фирм[14]. Два из трёх «Москвичей» достигли финиша — финишировали на 16 и 17 местах из 18, один автомобиль сошёл из-за прокладки головки цилиндров[15][16].
В 1972—1974 годах несколько английских пилотов участвовали на «Москвичах-412» в британском турнире Production Saloon Car Championship по туринговым гонкам. Они смогли одержать ряд побед. Особенно отличился Тони Лэнфрэнчи, ставший победителем 1972 года как в своём классе D, так и в абсолюте, в сериях Britax и Castrol этого турнира. В следующем году он вновь первенствовал в своём классе, в обеих сериях. А в 1974-м в серии Britax победителем стал Тони Стаббс. Также победителям отдельных этапов в классе D в сериях Britax (1972—1974), Castrol (1972—1973) и Triplex (1974) становились Эрик Хорсфилд и Питер Йопп. Это удалось им не за счёт абсолютного лидерства, но за счёт доминирования в своей зачётной категории; ввиду того, что классы были организованы в зависимости от стоимости на местном рынке, недорогой Москвич с его относительно мощным силовым агрегатом оказался в одной группе с более мелкими и маломощными автомобилями[17][18][19]. Также Тони Лэнфрэнчи выступил за рулём «Москвича-412» в ралли RAC Rally 1972, где занял 67 место в абсолюте и пятое в своём зачёте[20][21].
В 1972 году на базе М-412 был построен спортивный М-412Р с форсированным двигателем с двумя распределительными валами и литыми легкосплавными дисками для участия в общесоюзном первенстве. Однако, время не стояло на месте, и уже к середине 1970-х московские и ижевские машины стали уступать более современным ВАЗам[22]. К концу 1970-х «Жигули» почти полностью вытеснили «Москвичей» с кольцевых гоночных трасс[23][24]. В 1980-е «412-е» больше не использовались в сборной СССР по ралли для выступлений на этапах в капстранах[25]. А последний выездной старт заводского экипажа на Москвиче-412 в странах Восточного блока состоялся в 1983 году[26][27].
Примечания
Литература
Коллектив авторов НИИАТ под ред. Лапшина, В.И. Краткий Автомобильный Справочник НИИАТ. — 10-е изд. — М.: Транспорт, 1983. — С. 33—34. — 220 с.


