Кристадинный эффект
Кристади́нный эффе́кт (англ. crystodyne) — эффект отрицательного дифференциального сопротивления, наблюдаемый в некоторых видах кристаллических детекторов, обнаруженный Олегом Лосевым. Используя этот эффект, можно было строить усилители и генераторы без использования электронных ламп.
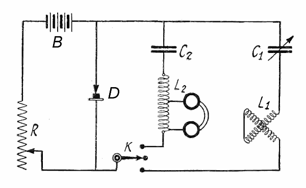
Кристадин — радиоприёмник, изобретённый Олегом Лосевым в 1922 году (после открытия им генерации высокочастотных электрических колебаний кристаллическими детекторами), не содержащий электронных ламп и осуществляющий усиление принимаемых сигналов с помощью кристаллического детектора[2].
История открытия
В начале 1920-х годов в СССР Олег Лосев экспериментировал с подачей напряжения смещения на различные виды кристаллических детекторов для улучшения их свойств.
В некоторых опытах с кристаллическими детекторами, в которых в качестве кристалла использовался монокристалл оксида цинка, Лосев наблюдал усиление и генерацию сигнала.
Эффект усиления и генерации обусловлен возникновением отрицательного дифференциального сопротивления на некоторых участках вольт-амперной характеристики кристаллического детектора.
Механизм возникновения отрицательного дифференциального сопротивления в опытах Лосева неясен. Большинство специалистов предполагают, что он вызван туннельным эффектом в полупроводнике, но прямых экспериментальных подтверждений этого объяснения пока не получено[3]. В то же время, возможным механизмом эффекта может быть лавинный пробой или другие физические эффекты[3], приводящие к возникновению отрицательного дифференциального сопротивления.
После первых экспериментов по достижению устойчивого усиления и генерации Лосев построил регенеративные и супергетеродинные радиоприёмники и передатчики.
Однако открытие Лосева не получило поддержки со стороны властей, вскоре было забыто и практически не применялось за исключением использования в нескольких экспериментальных устройствах. Это было обусловлено в том числе и тем, что в области усиления и генерации сигналов наступила эпоха электровакуумных приборов, обладавших большей воспроизводимостью характеристик и устойчивостью. Кроме того, кристадинный детектор был создан в примитивных условиях, в отличие от индустриального развития вакуумных радиоламп и современных полупроводниковых приборов[1].
Примечания
Литература
- O. V. Lossev. Oscillating Crystals (англ.) // Radio News. — 1925, январь. — P. 1167.
- Остроумов Б., Шляхтер И. Изобретатель кристадина О. В. Лосев // Радио. — 1952. — Вып. 5. — С. 18—20.


