Нейтродин
Нейтродин — радиоприёмник прямого усиления на триодах с несколькими каскадами усиления высокой частоты, в котором использовались цепи нейтрализации ёмкости «анод-сетка».
Что важно знать
| Нейтродин | |
|---|---|
| Первооткрыватель или изобретатель | Луис Алан Хазелтайн |
| Описание медиа | Первый радиоприемник neutrodyne, представленный Луисом Аланом Хазелтайном на лекции 2 марта 1923 года под названием "Усиление настроенных радиочастот с нейтрализацией связи мощностей" в Радиоклубе Америки при Колумбийском университете в Нью-Йорке. |
| Дата основания / создания / возникновения | 1922 |
История
В 20-е годы XX века во многих странах начало распространяться радиовещание. Для приёма местных радиостанций можно было пользоваться детекторными радиоприёмниками, но для приёма дальних станций их чувствительности недостаточно. Для повышения чувствительности в приёмнике должен быть усилитель. Для усиления сигналов использовались каскады на триодах.
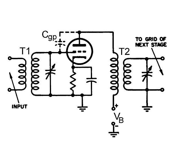
Недостатком триода является большая паразитная ёмкость «анод-сетка». В результате при усилении высокой частоты появлялась значительная по величине неконтролируемая положительная обратная связь. При использовании нескольких каскадов усиления по высокой частоте обратная связь сильно ограничивала возможную степень усиления из-за возникновения генерации. В коротковолновом диапазоне волн паразитная ёмкость делала приём и вовсе невозможным.
Для компенсации этой обратной связи в 1922 году профессор Алан Хэзельтин предложил ввести цепь отрицательной обратной связи, в которую включался конденсатор (так называемый нейтродон), ёмкость которого была равна паразитной ёмкости «анод-сетка».
Приёмники нейтродинного типа выпускались до конца 20-х годов, до появления в широкой продаже тетродов и пентодов, после чего были вытеснены супергетеродинами.
Ссылки
- Гинкин Г.Г. Нейтродин. История, теория и предварительные сведения. // Радиолюбитель : журнал. — М.: Труд и книга, 1927. — № 3 (март).
- Изюмов Н. М. Электронная лампа. О нейтрализации и нейтродинах. // Радио всем : журнал. — М.: Государственное издательство, 1928. — № 2 (январь). Архивировано 21 апреля 2017 года.
- Гаврилов С.А. Искусство ламповой схемотехники. — СПб: Наука и Техника, 2012. — С. 50-51. — 304 с. — ISBN 978-5-94387-855-8.


