SNOW (шифр)
SNOW — словоориентированный синхронный поточный шифр, разработанный Лундском университете (Швеция). На данный момент у него существует 3 модификации: SNOW 2.0, SNOW 3G, SNOW-V. SNOW 3G используется для безопасной передачи мобильных данных.
История
SNOW 1.0, первоначально просто SNOW[1], был разработан в 2000 году. Шифр работает с 32-битными словами и поддерживает как 128-, так и 256-битные ключи. Шифр состоит из комбинации регистра сдвига с линейной обратной связью (РСЛОС) и конечного автомата (КА).
В первой версии были обнаружены слабые места[2], и в результате SNOW не был включен в набор алгоритмов NESSIE. В 2003 году авторы разработали новую версию шифра SNOW 2.0[3], в которой устранили недостатки и улучшили производительность. Во время оценки группой экспертов по безопасным алгоритмам (англ. SAGE) из Европейского института телекоммуникационных стандартов(англ. ETSI)[4] алгоритм шифрования был дополнительно изменён, чтобы повысить его устойчивость к алгебраическим атакам. Результатом таких улучшений в 2006 году стала модификация шифра SNOW 3G[5][6].
В 2019 году Ericsson Research совместно с Лундским университетом пересмотрели алгоритм SNOW 3G и обновили его до нового, более быстрого шифра под названием SNOW-V[7], который может быть использован для безопасной передачи данных в новом поколении связи 5G.
Схема работы SNOW
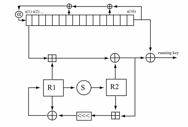
Генератор состоит из регистра сдвига с линейной обратной связью длины 16 над полем . Выход регистра подается на вход конечного автомата. КА состоит из двух 32-битных регистров, называемых R1 и R2, а также некоторых операций для вычисления вывода и следующего состояния (следующего значения R1 и R2). Работа шифра выглядит следующим образом. Сначала выполняется инициализация ключа. Эта процедура обеспечивает начальные значения для РСЛОС, а также для регистров R1, R2 в конечном автомате. Затем первые 32 бита ключевого потока вычисляются путем поразрядного сложения выходных данных КА и последней записи РСЛОС. После этого весь процесс синхронизируется, и следующие 32 бита ключевого потока вычисляются путем ещё одного побитового сложения выходных данных конечного автомата и последней записи РСЛОС. Мы снова синхронизируем и продолжаем в том же духе.[2]
В начальный момент времени t = 0 происходит инициализация регистра сдвига 32-битными значениями , которые задаются при помощи сгенерированного ключа.
Функция обратной связи для регистра задается многочленом:
где задаётся неприводимым многочленом
- ,
над и .
Выход КА назовем . Он рассчитывается по следующей формуле:
- ,
где — целочисленное сложение по.
Выход конечного автомата сравнивается с по модулю 2 для формирования потокового ключа, то есть
- ,
где — сложение по.
Внутри конечного автомата новые значения для R1 и R2 присваиваются по следующим формулам:
- ,
где — циклический сдвиг влево
Наконец, S-блок, обозначаемый , состоит из четырёх идентичных битовых S-блоков 8×8 и перестановки полученных битов. Входные данные разделены на 4 байта, каждый байт входит в нелинейное отображение от 8 бит до 8 бит. После этого отображения биты в результирующем слове переставляются, чтобы сформировать окончательный результат S-блока[1].
Для конечного формирования шифртекста потоковый ключ сравнивается с открытым текстом по модулю 2.
Известные атаки
- В феврале 2002 года Филипп Хоукс и Грегори Роуз описали атаку «Предполагай и определяй» (англ. англ. Guess and determine attack) на SNOW 1.0, в котором используются в основном два свойства, чтобы снизить сложность атаки ниже исчерпывающего поиска ключей. Во-первых, тот факт, что автомат имеет только один вход s(1). Это позволяет злоумышленнику инвертировать операции в конечном автомате и получать больше неизвестных только из нескольких предположений. Второе свойство — неудачный выбор полинома обратной связи в SNOW 1.0[8].
- В августе 2003 года Даи Ватанабе, Алекс Бирюков и Кристоф Де Канньер описали атаку на SNOW 2.0 методом линейной маскировки. Эта атака использует битов потока и шагов анализа, что быстрее, чем исчерпывающий поиск 256-битного ключа[9].
Применение
SNOW 2.0 — один из потоковых шифров, вошедших в стандарт шифрования ISO/IEC ISO/IEC 18033-4[10], который определяет функции вывода для объединения ключевого потока с открытым текстом, генераторы ключевого потока для создания ключевого потока и идентификаторы объектов, назначенные выделенным генераторам ключевого потока в соответствии с ISO/IEC 9834 для поточных шифров.
SNOW 3G[6]выбран в качестве генератора потоковых ключей для алгоритмов шифрования 3GPP UEA2 и UIA2[11].


