F-FCSR
F-FCSR — семейство поточных шифров, основанное на использовании регистра сдвига с обратной связью по переносу (FCSR) с линейным фильтром на выходе. Идея шифра была предложена Терри Бергером, Франсуа Арно и Седриком Лараду. F-FCSR был представлен на конкурсе eSTREAM, был включён в список победителей конкурса в апреле 2008, но в дальнейшем была выявлена криптографическая слабость и в сентябре 2008 F-FCSR был исключён из списка eSTREAM.
История
Впервые идея использования регистра сдвига с обратной связью по переносу (FCSR) для создания поточного фильтра была предложена Клаппером и Горески в 1994 году[1]. Позднее ими был разработан алгоритм такого шифра[1]. Один FCSR без подключения линейного компонента не может быть использован в качестве поточного шифра, так как легко дешифруется.
В 2002 году был предложен самосинхронизующийся поточный шифр, основанный на совместном использовании FCSR и LFSR[2]. Позднее он был подвергнут атаке с выбором шифротекста[3].
В 2005 году Арно и Бергер предложили идею совместного использования FCSR и линейного фильтра для создания поточного шифра, который получил название F-FCSR (Filtered FCSR)[4]. Позже ими были предложены 4 алгоритма, реализующих эту идею: F-FCSR-SF1, F-FCSR-SF, F-FCSR-DF1 и F-FCSR-DF8[5]. Первые два использовали статические фильтры, последние — фильтры, зависящие от ключа. Позже была выявлена слабость всех этих алгоритмов перед различными видами атак[6].
В 2005 Терри Бергер, Франсуа Арноль и Седрик Лараду предложили два шифра на основе F-FCSR[7] для участия в конкурсе eSTREAM: F-FCSR-H для аппаратной реализации и F-FCSR-8 для программной. В результате последующих испытаний у первоначальных версий F-FCSR-H и F-FCSR-8 были найдены уязвимости[8], которые позже были исправлены в версиях F-FCSR-H v.2 и F-FCSR-16[9]. Улучшенный вариант F-FCSR-H v.2 стал финалистом eSTREAM[10]. Но после обнаружения уязвимости[11] был исключён из eSTREAM Portfolio (rev.1)[12].
| Название | Длина главного регистра |
Инициализация | Фильтр | Число бит на выходе фильтра |
|---|---|---|---|---|
| F-FCSR-8 | 128 | 64/128 тактов (в зависимости от IV) |
Зависит от ключа | 8 |
| F-FCSR-H | 160 | 160 тактов | Статический | 8 |
| F-FCSR-8.2 | 256 | 258 тактов | Зависит от ключа | 16 |
| F-FCSR-16 | 256 | 16 + 258 тактов | Статический | 16 |
| F-FCSR-H v.2 | 160 | 20 + 162 такта | Статический | 8 |
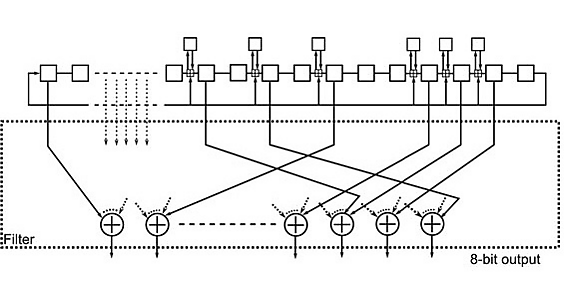
Описание алгоритма
FCSR реализуется в двух конфигурациях: Галуа и Фиббоначи. В F-FCSR используется конфигурация Галуа, так как она эффективней. Вводятся следующие обозначения:
- q — целостность соединения (connection integer) — отрицательное нечётное целое число, удовлетворяющее следующим условиям:
- T = (|q| − 1)/2 — простое, 2T — период битовой последовательности p/q
- Число единиц в двоичном представлении числа (1 − q)/2 порядка n/2
- p — параметр, зависящий от ключа, такое, что 0 < p < |q|
- n — размер главного регистра FCSR, |q| в двоичной записи имеет n + 1 знаков: 2n < −q < 2n+1
- d: d = (1 − q)/2, в двоичной записи , di = {0, 1}, dn-1 = 1
- M — n-разрядный главный регистр, значения его i-го разряда, .
- C — l-разрядный регистр сдвига, l + 1 — число единиц в двоичной записи d, .
- (m, c) — состояние FCSR
Если (m, c) — состояние FCSR в момент времени t0, , , то — двоичное представление p/q, где p = m + 2c.
q = −347, d = 174 = (10101110)2, n = 8, l = 4.
Фильтрующая линейная функция на выходе определяется маской () Один бит на выходе определяется следующим образом:
С учётом слабости предыдущих версий F-FCSR из-за слабого начального перемешивания битов в главном регистре процедура инициализации в F-FCSR-H v.2 и F-FCSR-16 проводится следующим образом:
- Главный регистр M инициализируется конкатенацией секретного ключа K и IV — (K, IV), в регистр переноса записываются нули.
- Проходит 16 тактов генератора для F-FCSR-16 и 20 для F-FCSR-H v.2
- Полученные на выходе 256 и 160 битов соответственно записываются в M
- Проходит n + 2 тактов генератора, биты на выходе при этом отбрасываются
- Длина ключа 80 бит, IV — 80 бит
- q = −1993524591318275015328041611344215036460140087963
- Длина регистра переноса l = 82
- d = (AE985DFF 26619FC5 8623DC8A AF46D590 3DD4254E)16
- Последовательность битов на выходе , то есть
- z = (m8 + m24 + m40 + m56 + … + m136, m1 + m49 +… , … , m23 + …)
- Длина ключа 128 бит, IV — 128 бит
- q = −183971440845619471129869161809344131658298317655923135753017128462155618715019
- Длина регистра переноса l = 130
- d = (CB5E129F AD4F7E66 780CAA2E C8C9CEDB 2102F996 BAF08F39 EFB55A6E 390002C6)16
- Последовательность битов на выходе
Описание атаки
Первоначально найденные уязвимости F-FCSR-8 и F-FCSR-H, связанные с малым количеством тактов при инициализации, были исправлены в F-FCSR-16 и F-FCSR-H v.2. В 2008 году Мартин Хелл и Томас Джоанссон описали и осуществили атаку на F-FCSR, с помощью которой можно вскрыть состояние FCSR.
Фильтрующая функция линейна, поэтому криптостойкость F-FCSR определяется нелинейностью FCSR, которая возникает из-за наличия регистра переноса, таким образом систему требуется линеаризовать, максимально увеличив число нулей в регистре переноса. Рассмотрим ситуацию, когда состояние регистра переноса на протяжении 20 тактов будет следующим:
C(t) = C(t + 1)= … = C(t + 19) = (Сl-1, …, С0) = (0, 0, . . . , 0, 1) (*)
Если бит обратной связи 0, то биты регистра переноса, равные 0, остаются равны 0, а равные 1 с вероятностью ½ становятся равны 0. Тогда для возникновения (*), потребуется приблизительно последовательных нулей в бите обратной связи.
В силу предположения (*) состояния главного регистра M(t + 1), …, M(t + 19) линейно зависят от M(t), и нам известна эта зависимость.
Обозначим байты на выходе z(t), z(t + 1), … , z(t + 19).
Выразим z(t), z(t + 1), … , z(t + 19) через значения битов главного регистра в момент t: M(t) = (m0 … m159).
Получим 20 уравнений с 20 неизвестными , где :
…
Аналогично получим системы уравнений, зависящих от , где и т. д.
Итого 8 систем из 20 уравнений с 20 неизвестными.
Ведём следующие обозначения:
,
,
…
.
Обозначим вектор
Тогда системы сложно записать в виде , где — известная матрица, определяемая фильтрующей функцией.
Алгоритм нахождения состояния главного регистра в предположении(*) можно описать следующим образом:
- В момент времени t получаем на выходе байты: z(t), z(t +1), . . . , z(t + 19)
- for i = 0 to 7
- Решаем уравнение
- if (нет решений) goto 1
- else сохраняем возможные значения
- for (каждый возможный набор )
- if (M из может дать на выходе z(t), z(t +1), . . . , z(t + 19)) return;
- goto 1
Для осуществления описанной выше атаки требуется 226 байт шифротекста. Возможно улучшение атаки, требуюшее 224,3 байта. Аналогичная атака может быть применена к F-FCSR-16.
Примечания
Литература
- M. Hell, T. Johansson, Breaking the F-FCSR-H stream cipher in real time, in Advances in Cryptology. ASIACRYPT 2008. Lecture Notes in Computer Science, vol. 5350/2008 (Springer, Berlin, 2008), pp.557-569
- F. Arnault and T.P. Berger. F-FCSR: design of a new class of stream ciphers. In Fast Software Encryption — FSE 2005, v. 3557 of Lecture Notes in Computer Science, p. 83-97. Springer-Verlag, 2005.
- F. Arnault, T. Berger, C. Lauradoux, Update on F-FCSR stream cipher. eSTREAM, ECRYPT Stream Cipher Project, Report 2006/025 (2006).


