Ячейка Гилберта
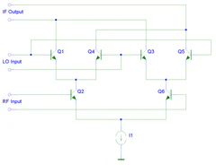
Яче́йка Ги́лберта (англ. Gilbert cell) в электронике — схема четырёхквадрантного аналогового умножителя, предложенная Барри Гилбертом в 1968 году. Она представляет собой ядро умножителя на трёх дифференциальных каскадах, дополненное диодными преобразователями входных напряжений — в токи (V1, V2 на схемах). Ячейка Гилберта, в модифицированной бета-зависимой форме, выполняет функцию смесителя или балансного модулятора в большинстве современных радиоприёмников и сотовых телефонов[1].
В отличие от предшествовавших схем умножителей, оперировавших напряжениями, элементарная ячейка Гилберта оперирует исключительно токами — множители на входе задаются не напряжениями, а токами, их произведение считывается также в форме тока. В схеме Гилберта были впервые скомпенсированы температурный дрейф и нелинейность традиционных умножителей; уже в 1968 первые промышленные образцы демонстрировали полную погрешность умножения менее 1 % при рабочих частотах до 500 МГц[2]. Первые прецизионные умножители на ячейке Гилберта c управлением напряжениями (AD534) имели точность 0,1 % ценой уменьшения полосы до 1 МГц[3].
В советской литературе умножители по схеме Гилберта именовались умножители с нормировкой токов[4], умножители на управляемых током делителях тока[5]; первая советская микросхема такого рода, 525ПС1, была анонсирована в 1979 году[6][4]. В современных англоязычных учебниках понятие ячейки Гилберта трактуется расширительно и ошибочно переносится на известное «до Гилберта» ядро умножителя на трёх дифкаскадах[7].
История изобретения
В 1960-х годах начался переход от схем на дискретных транзисторах к монолитным интегральным схемам (ИС). Интеграция всех компонентов схемы на одном кристалле позволила реализовать на практике схемы, которые были неработоспособны в дискретном исполнении — в том числе, схему четырёхквадрантного умножителя на трёх дифференциальных каскадах с перекрёстными выходами. Её изобрёл в 1963 году Говард Джонс из компании Honeywell (патент США 3241078)[7]. Такие схемы выпускались серийно (например, 526ПС1[8]), но не подходили для массового применения. Из-за малого допустимого уровня входных напряжений, сопоставимого с напряжением смещения нуля ОУ[9], она была чувствительна к температурному дрейфу, требовала точной подстройки нуля, и обладала высоким уровнем шума[10]. Коэффициент перемножения был пропорционален квадрату абсолютной температуры[9]. В 1968 году техник Tektronix Барри Гилберт предложил решение — переход от управления напряжениями к управлению токами:
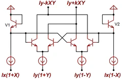
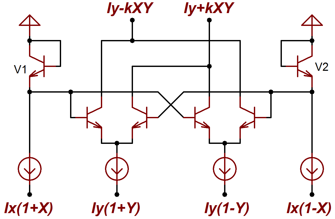
Проблемы этого типа умножителя могут быть в основном решены применением диодных преобразователей входных напряжений — в токи. Схема, полностью управляемую токами, становится линейной (по крайней мере, теоретически), и практически независимой от влияния температуры.
Оригинальный текст (англ.)[показатьскрыть]The problem with this type of multiplier can be largely overcome, however, by using diodes as current-voltage convertors for the base inputs, thus rendering the circuit entirely current controlled, theoretically linear, and substantially free from temperature effects[10].
Гилберт показал, что, хотя его схема оставалась чувствительной к разбалансу параметров отдельных транзисторов, её поведение мало зависело от типового коэффициента усиления транзисторов и омического сопротивления их pn-переходов, заданных производственным процессом[11]. В этом смысле первая схема ячейки Гилберта была бета-независимой[12]: искажения, вносимые входными диодами (V1 и V2 на схеме), компенсировали искажения, вносимые транзисторами дифференциальных каскадов[13].
На практике, удачная с точки зрения искажений ориентация V1 и V2 оказаласть неудобной и в производстве, в практическом применении[12]. Поэтому во второй версии своего умножителя Гилберт перенёс V1 и V2 «вверх» (к положительной шине питания) — это упростило и топологию ИС, и её привязку к реальной аппаратуре, так как теперь оба входных канала управлялись токами одного направления[12]. При этом выросли шумы, искажения и температурный дрейф параметров, а зависимость от коэффициента усиления по току выросла втрое (схема стала бета-зависимой)[12]. Именно эта схема была запатентована Гилбертом и Tektronix в 1972 году (заявка с приоритетом от 13 апреля 1970)[14] и именно на её основе были спроектированы практически все серийные перемножители (в том числе массовая Motorola MC1495[15] и её советский аналог 525ПС1[4]) — функциональность оказалась важнее[12]. Будучи функционально простыми, незавершёнными узлами, эти ИС имели тридцать и более внутренних компонентов — так, в MC1495 шестнадцать активных транзисторов, четыре транзистора в диодном включении (в том числе V1, V2) и десять резисторов двух номиналов[15].
Токовое управление являлось большим неудобством[16], и поэтому были выпущены более сложные ИС с управлением напряжениями и стабилизацией входных каскадов (525ПС2 — 27 активных транзисторов, 34 резистора[17]). Развитием схемы Гилберта стал универсальный аналоговый перемножитель (УАПС, пример — AD633[18]), в котором в цепь обратной связи по выходному сигналу был добавлен четвёртый, так называемый Z-дифкаскад, компенсирующий нелинейность базовой ячейки.[19].
Сосредоточившись на анализе свойств замкнутых контуров, образованных эмиттерными переходами V1, V2 и дифференциальных каскадов, Гилберт пришёл к концепции транслинейной схемотехники и вывел принцип транслинейности (впервые опубликован в 1975[21])[22].
Большинство современных англоязычных учебных пособий по схемотехнике (например, Drentea[23], Razavi[24]) называют «ячейкой Гилберта» не изобретение Гилберта, а предшествовавший ему умножитель Говарда Джонса, управляемый не токами, а напряжениями[7]. Сам Гилберт неоднократно указывал на ошибочность этого мнения, но многолетнее заблуждение оказалось сильнее[7].
Примечания
Литература
- Алексенко, А. Г., Коломбет, Е. А., Стародуб, Г. И. Применение прецизионных аналоговых микросхем. — 2-е изд.. — Москва: Радио и связь, 1985. — 256 с. — 50 000 экз.
- Тимонтеев, В. Н., Величко, Л. М., Ткаченко, В. А. Аналоговые перемножители сигналов в радиоэлектронной аппаратуре. — Москва: Радио и связь, 1982. — 114 с. — 12 000 экз.
- Analog Devices staff. Linear Circuit Design Handbook / ed. Hank Zumbahlen. — 2008. — ISBN 978-0750687034.
- Cornell Drentea. Modern Communications Receiver Design and Technology. — Artech House, 2010. — 454 p. — (Artech House intelligence and information operations series). — ISBN 9781596933095.
- Gilbert, Barrie. A precise four-quadrant multiplier with subnanosecond response (англ.) // IEEE Journal of Solid-State Circuits. — 1968. — Т. 3, № 4. — С. 365—373. — ISSN 0018-9200. — doi:10.1109/JSSC.1968.1049925.
- Репринт: Gilbert, Barrie. A precise four-quadrant multiplier with subnanosecond response (англ.) // IEEE Solid-State Circuits Society News. — 2007. — Т. 12, № 4. — С. 29—37. — ISSN 1098-4232. — doi:10.1109/N-SSC.2007.4785651.
- Gilbert, Barrie. Translinear circuits: A proposed classification (англ.) // IEEE Electronics letters. — 1975. — Т. 11, № 1. — С. 14—16. — ISSN 0013-5194. — doi:10.1049/el:19750011.
- Gilbert, Barrie. Design for Manufacture // Trade-Offs in Analog Circuit Design: The Designer's Companion / Editors: Chris Toumazou, George S. Moschytz, Barrie Gilbert. — Springer, 2004. — Vol. 1. — P. 7—74. — 1048 p. — (Trade-offs in Analog Circuit Design). — ISBN 9781402080463.
- Lee, T. H. Tales of the Continuum: A Subsampled History of Analog Circuits // IEEE SCCS News. — 2007. — № Fall 2007. — P. 38—51. — ISSN 1943-0582.
- Shin-Chii Liu. Analog VLSI: circuits and principles. — MIT Press, 2002. — 434 p. — (Bradford Books). — ISBN 9780262122559.
- Behzad Razavi. Monolithic phase-locked loops and clock recovery circuits: theory and design. — IEEE / John Wiley and Sons, 1996. — 498 p. — ISBN 9780780311497.





