Шербиус, Артур
Артур Шербиус (30 октября 1878 года — 13 мая 1929 года) — инженер-электрик, пионер Германии, доктор технических наук, известный изобретением шифровой машины примерно со 159 квинтиллионами (158 962 555 217 826 350 000) различными комбинациями символов, признанной самой сложной в истории человечества, — Enigma. Он запатентовал изобретение, а затем продал машину под одноимённой торговой маркой.
Шербиус предложил непревзойденные возможности и продемонстрировал важность криптографии для военной и гражданской разведки.
Что важно знать
Жизнь и работа
Шербиус родился во Франкфурте-на-Майне, в Германии. Его отец был бизнесменом.
Он изучал электротехнику в Техническом университете в Мюнхене, а затем продолжил обучение в Ганноверском университете, закончив в марте 1903 года. В следующем году он закончил диссертацию под названием «Предложение о строительстве косвенного губернатора водной турбины» и был удостоен докторской степени в области инженерных наук (Dr.-Eng.).
Впоследствии Шербиус работал в ряде электрических фирм в Германии и Швейцарии. В 1918 году он основал фирму, названную в честь него и Риттера. Он сделал ряд изобретений, например: асинхронные двигатели, электрические подушки и керамические нагревательные детали. Его исследовательский вклад привёл к тому, что в честь него был назван принцип Шербиуса для асинхронных двигателей.
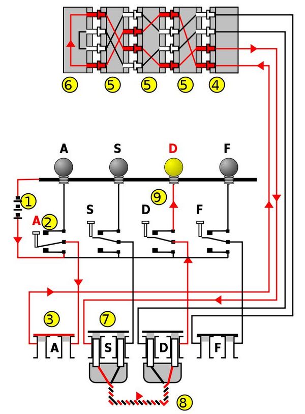
23 февраля 1918 года Шербиус подал заявку на патент шифровальной машины на основе вращающихся проводных колёс, известной теперь как роторная машина.
Его первый дизайн «Энигмы» был назван моделью A и был размером и формой примерно с кассовый аппарат (50 кг). Затем он сконструировал модели B и C, которые представляли собой портативные устройства, где буквы были обозначены лампами. Машина выглядела как пишущая машинка в деревянной коробке. Он назвал свою машину «Энигма», что с древнегреческого означает «загадка».
Шифровая машина фирмы, продаваемая под названием «Enigma», первоначально была размещена на коммерческом рынке. Было несколько коммерческих моделей, и одна из них была принята немецким военно-морским флотом (в модифицированной версии) в 1926 году. Немецкая армия приняла тот же механизм (также в видоизменённой версии, несколько отличающейся от ВМС) несколько лет спустя.
Сначала инженеру пришлось столкнуться с проблемами, потому что никто не проявлял интереса или даже не замечал его изобретения. Однако Артур продолжал верить, что его «Энигма» будет востребована. И, несмотря на некоторые разочарования в прошлом, немецкая армия заинтересовалась новым криптографическим устройством. Серийное производство Enigma началось в 1925 году, и первые машины стали использоваться в 1926 году.
Для немецкой армии «Энигма» Шербиуса оказалась самым сильным криптографическим шифром в мире, и общение немцев было надёжно зашифровано во время Второй мировой войны. Однако сам Шербиус прославился своим изобретением лишь посмертно.
Артур Шербиус умер в результате несчастного случая на лошадях в 1929 году.
В книге «Собор Тьюринга» Джордж Дайсон написал, что «…криптографическая машина была изобретена немецким инженером-электриком Артуром Шербиусом, который предложил его немецкому флоту, но предложение которого было отклонено. Затем Шербиус основал Chiffriermaschinen Aktiengesellschaft для производства машины под торговой маркой Enigma для шифрования коммерческих сообщений, таких как переводы между банками. Немецкий военно-морской флот изменил своё мнение и принял модифицированную версию машины „Энигма“ в 1926 году, за которой последовали немецкая армия в 1928 году и немецкие военно-воздушные силы в 1935 году».
Объединив три ротора из набора пяти, настроив их в 26 позициях и соединив с плагином с десятью парами подключённых букв, в своей машине Шербиус добился 158 962 555 217 826 350 000 (почти 159 квинтиллионов) разных комбинаций символов.


