Метод узловых потенциалов
Ме́тод узловы́х потенциа́лов — формальный метод расчёта электрических цепей путём записи системы линейных алгебраических уравнений, в которой неизвестными являются потенциалы в узлах цепи. В результате применения метода определяются потенциалы во всех узлах цепи, а также, при необходимости, силы тока во всех рёбрах (ветвях).
Введение
Часто необходимым этапом при решении самых разных задач электротехники и электроники является расчёт электрической цепи. Под этим термином понимается процесс получения полной информации о напряжениях во всех узлах и о токах во всех рёбрах заданной электрической цепи. Для расчёта линейной цепи достаточно записать необходимое число уравнений, которые базируются на правилах Кирхгофа и законе Ома, а затем решить полученную систему уравнений.
Однако на практике записать систему уравнений просто из вида принципиальной электрической схемы удаётся только для очень простых схем. Если в схеме более десятка элементов или она содержит много взаимосвязанных контуров (участки типа мостов), то для записи, определяющей схему системы уравнений, уже требуются специальные методики. К таким методикам относятся метод узловых потенциалов и метод контурных токов.
Метод узловых потенциалов не привносит ничего нового к правилам Кирхгофа и закону Ома. Данный метод лишь формализует их использование настолько, чтобы их можно было применить к любой, сколь угодно сложной цепи и пригоден для расчёта посредством вычислений на компьютерах. Иными словами, метод даёт ответ на вопрос «как использовать законы для расчёта данной цепи?».
Теоретические основы
Если в цепи, состоящей из У узлов и Р рёбер, известны все характеристики звеньев (полные сопротивления R, величины источников ЭДС E и тока J), то возможно вычислить токи Ii во всех рёбрах и потенциалы φi во всех узлах. Поскольку электрический потенциал определён с точностью до произвольного постоянного слагаемого, то потенциал в одном из узлов (назовём его базовым узлом) можно принять равным нулю, а потенциалы в остальных узлах определять относительно базового узла. Таким образом, при расчёте цепи имеем У+Р-1 неизвестных переменных: У-1 узловых потенциалов и Р токов в рёбрах.
Не все из указанных переменных независимы. Например, исходя из закона Ома для участка цепи, токи в звеньях полностью определяются потенциалами в узлах:
С другой стороны, токи в рёбрах однозначно определяют распределение потенциала в узлах относительно базового узла:
Таким образом, минимальное число независимых переменных в уравнениях цепи равно либо числу звеньев, либо числу узлов минус 1, в зависимости от того, какое из этих чисел меньше.
При расчёте цепей чаще всего используются уравнения, записываемые, исходя из правил Кирхгофа. Система состоит из У-1 уравнений по 1-му правилу Кирхгофа (для всех узлов, кроме базового) и К уравнений по 2-му правилу Кирхгофа для каждого независимого контура. Независимыми переменными в уравнениях составленных по правилам Кирхгофа являются токи звеньев. Поскольку согласно формуле Эйлера для плоского графа число узлов, рёбер и независимых контуров связаны соотношением
или
то число уравнений составленных по правилам Кирхгофа равно числу переменных, и система разрешима. Однако число уравнений в системе Кирхгофа избыточно. Одним из методов сокращения числа уравнений является метод узловых потенциалов. Переменными в системе уравнений являются У-1 узловых потенциалов. Уравнения записываются для всех узлов, кроме базового. Уравнения для контуров в системе отсутствуют.
Рассмотрим фрагмент цепи, состоящий из узла и примыкающих к нему звеньев (рис. 1). Согласно 1-му правилу Кирхгофа сумма токов в узле равна нулю:
Ток в звене определим, исходя из закона Ома для участка цепи:
откуда:
Обозначив проводимости рёбер через
получим окончательное уравнение для узла:
Последнее уравнение получено, исходя из предположения, что все источники тока и ЭДС направлены в сторону рассматриваемого узла. Если какой-либо источник направлен в противоположную сторону, его ЭДС или ток необходимо взять с обратным знаком.
Записав последнее уравнение для каждого узла цепи, кроме базового, получим систему уравнений для узловых потенциалов.
Практическое применение
Перед началом расчёта выбирается один из узлов (базовый узел), потенциал которого считается равным 0. Затем узлы нумеруются, после чего составляется система уравнений.
Уравнения составляются для каждого узла, кроме базового. Слева от знака равенства записывается:
- потенциал рассматриваемого узла, умноженный на сумму проводимостей рёбер, примыкающих к нему (проводимости рёбер, содержащих источники тока, считаются нулевыми и не принимаются в расчёт);
- минус потенциалы узлов, примыкающих к данному, умноженные на проводимости рёбер, соединяющих их с данным узлом. Если узел соединён с данным узлом ребром, содержащим источник тока, этот узел не принимается в расчёт.
Справа от знака равенства записывается:
- сумма всех источников токов, примыкающих к данному узлу;
- сумма произведений всех ЭДС, примыкающих к данному узлу, на проводимость соответствующего звена.
Если источник направлен в сторону рассматриваемого узла, то он записывается со знаком «+», в противном случае — со знаком «−». Не стоит забывать, что проводимость звена с последовательно подключённым идеальным источником тока равна 0.
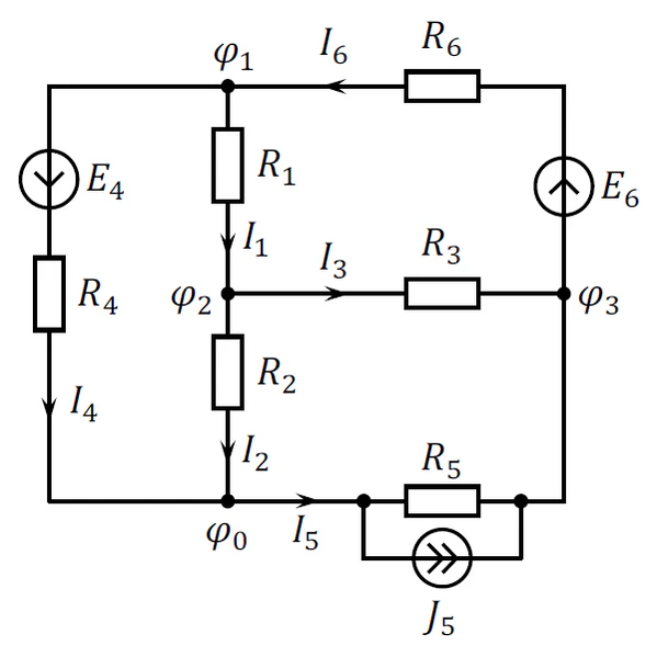
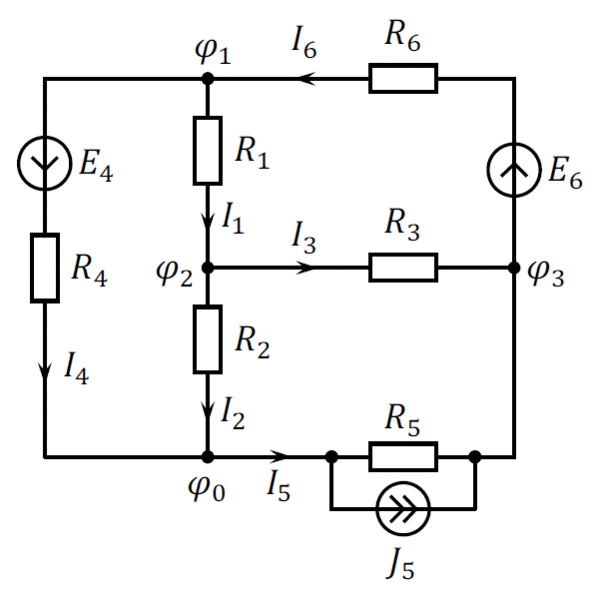
На схеме (рис. 2) четыре узла. Потенциал в узле 0 принят равным нулю (φ0 = 0). Записываем уравнения для узлов 1, 2 и 3:
где проводимости рёбер равны:
Формальный подход
В матричном виде система уравнений для метода узловых потенциалов выглядит следующим образом[1]:
- ,
где
— матрица соединений размера (q — 1) × p (q — количество узлов, р — количество рёбер), в которой i-я строка соответствует узлу i, а j-й столбец соответствует ребру j, причём элемент Aij равен:
- 0, если ребро j не присоединено к узлу i;
- 1, если ребро выходит из узла;
- −1, если ребро входит в узел.
Термины «входит» и «выходит» означает, что для каждого рёбра задаётся направление, которое обычно ассоциируется с направлением тока в этом ребре;
— диагональная матрица проводимостей размера p × p, в которой диагональный элемент Yii равен проводимости i-го ребра, а недиагональные элементы равны нулю;
— транспонированная матрица соединений;
— матрица-столбец узловых потенциалов размером (q — 1) × 1. Потенциалы измеряется относительно предварительно выбранного узла, потенциал которого считается равным нулю. Нулевой узел не входит ни в одну из перечисленных в данном разделе матриц;
— матрица-столбец источников тока размером p × 1, где каждый элемент равен току соответствующего источника, причём эта величина нулевая, если в данном ребре источник тока отсутствует; положительная, если направление тока источника совпадает с направлением тока в ребре; и отрицательная в противном случае;
— матрица-столбец источников ЭДС размером p × 1, где каждый элемент равен ЭДС соответствующего источника, причём эта величина нулевая, если в данном ребре источник ЭДС отсутствует; положительная, если направление ЭДС источника совпадает с направлением тока в ребре; и отрицательная в противном случае.
Для схемы рис. 2 матрицы имеют вид:
Перемножаем матрицы в соответствии с матричным уравнением:
Раскрывая матричную запись, получаем следующую систему уравнений:
Ограничения
Метод узловых потенциалов применяется к эквивалентной схеме, поэтому имеют силу те же ограничения, что и для применимости эквивалентных схем. Если нужно произвести расчёты для реальной электрической схемы, то для этого необходимо составить эквивалентную схему и дальнейший расчёт производить с ней.


