КМОП-матрица
КМОП-матрица — светочувствительная матрица, выполненная на основе КМОП-технологии.
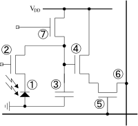
В КМОП-матрицах используются полевые транзисторы с изолированным затвором с каналами разной проводимости.
Что важно знать
| КМОП-матрица |
|---|
История
В конце 1960-х гг. многие исследователи отмечали, что структуры КМОП (CMOS) обладают чувствительностью к свету. Однако приборы с зарядовой связью обеспечивали настолько более высокую светочувствительность и качество изображения, что матрицы на технологии КМОП не получили сколько-нибудь заметного развития.
В начале 1990-х характеристики КМОП-матриц, а также технология производства были значительно улучшены. Прогресс в субмикронной фотолитографии позволил применять в КМОП-сенсорах более тонкие соединения. Это привело к увеличению светочувствительности за счёт большего процента облучаемой площади матрицы.
Переворот в технологии КМОП-сенсоров произошёл, когда в лаборатории реактивного движения (Jet Propulsion Laboratory — JPL) НАСА успешно реализовали Active Pixel Sensors (APS) — активно-пиксельные датчики[2]. Теоретические исследования были выполнены ещё несколько десятков лет тому назад, но практическое использование активного сенсора отодвинулось до 1993 года. APS добавляет к каждому пикселю транзисторный усилитель для считывания, что даёт возможность преобразовывать заряд в напряжение прямо в пикселе. Это обеспечило также произвольный доступ к фотодетекторам наподобие реализованного в микросхемах ОЗУ.
В результате к 2008 году КМОП стали практически альтернативой ПЗС.
В 2011 году на форуме MWC в Барселоне компания Samsung продемонстрировала КМОП-сенсоры нового типа, которые ориентированы на применение в смартфонах.
Принцип работы
- До съёмки подаётся сигнал сброса
- В процессе экспозиции происходит накопление заряда фотодиодом
- В процессе считывания происходит выборка значения напряжения на конденсаторе
Преимущества
- Основное преимущество технологии КМОП — низкое энергопотребление в статическом состоянии. Это позволяет применять такие матрицы в составе энергонезависимых устройств, например, в датчиках движения и системах наблюдения, находящихся большую часть времени в режиме «сна» или «ожидания события».
- Важным преимуществом матрицы КМОП является единство технологии с остальными, цифровыми элементами аппаратуры. Это приводит к возможности объединения на одном кристалле аналоговой, цифровой и обрабатывающей части (КМОП-технология, являясь в первую очередь процессорной технологией, подразумевает не только «захват» света, но и процесс преобразования, обработки, очистки сигналов не только собственно-захваченных, но и сторонних компонентов РЭА), что послужило основой для миниатюризации камер для самого разного оборудования и снижения их стоимости ввиду отказа от дополнительных процессорных микросхем.
- С помощью механизма произвольного доступа можно выполнять считывание выбранных групп пикселов. Данная операция получила название кадрированного считывания (англ. windowing readout). Кадрирование позволяет уменьшить размер захваченного изображения и потенциально увеличить скорость считывания по сравнению с ПЗС-сенсорами, поскольку в последних для дальнейшей обработки необходимо выгрузить всю информацию. Появляется возможность применять одну и ту же матрицу в принципиально различных режимах. В частности, быстро считывая только малую часть пикселей, можно обеспечить качественный режим живого просмотра изображения на встроенном в аппарат экране с относительно малым числом пикселей. Можно отсканировать только часть кадра и применить её для отображения на весь экран. Тем самым получить возможность качественной ручной фокусировки. Есть возможность вести репортажную скоростную съёмку с меньшим размером кадра и разрешением.
- В дополнение к усилителю внутри пикселя, усилительные схемы могут быть размещены в любом месте по цепи прохождения сигнала. Это позволяет создавать усилительные каскады и повышать чувствительность в условиях плохого освещения. Возможность изменения коэффициента усиления для каждого цвета улучшает, в частности, балансировку белого.
- Дешевизна производства в сравнении с ПЗС-матрицами, особенно при больших размерах матриц.
Недостатки
- Фотодиод ячейки занимает существенно меньшую площадь элемента матрицы, по сравнению с ПЗС-матрицей с полнокадровым переносом. Поэтому ранние матрицы КМОП имели существенно более низкую светочувствительность, чем ПЗС. Но в 2007 году компания Sony выпустила на рынок новую линейку видео- и фотокамер с КМОП-матрицами нового поколения с технологией Exmor, которая ранее применялась только для КМОП-матриц в специфических оптических устройствах, таких, как электронные телескопы. В этих матрицах электронная «обвязка» пикселя, препятствующая попаданию фотонов на светочувствительный элемент, была перемещена из верхнего в нижний слой матрицы, что позволило увеличить как физический размер пикселя при тех же геометрических размерах матрицы, так и доступность элементов свету, что, соответственно, увеличило светочувствительность каждого пикселя и матрицы в целом. Матрицы КМОП впервые сравнились с ПЗС-матрицами по светочувствительности, но оказались более энергосберегающими и лишёнными главного недостатка ПЗС-технологии — «боязни» точечного света. В 2009 году компания Sony улучшила КМОП-матрицы с технологией EXMOR, применив к ним технологию «Backlight illumination» («обратная засветка»). Идея технологии проста и полностью соответствует названию.
- Фотодиод ячейки матрицы имеет сравнительно малый размер, величина же получаемого выходного напряжения зависит не только от параметров самого фотодиода, но и от свойств каждого элемента пикселя. Таким образом, у каждого пикселя матрицы оказывается своя собственная характеристическая кривая, и возникает проблема разброса светочувствительности и коэффициента контраста пикселей матрицы. В результате этого первые произведённые КМОП-матрицы имели сравнительно низкое разрешение и высокий уровень так называемого «структурного шума» (англ. pattern noise).
- Наличие на матрице большого по сравнению с фотодиодом объёма электронных элементов создаёт дополнительный нагрев устройства в процессе считывания и приводит к возрастанию теплового шума.
Примечания
Литература
- Виктор Белов. Свет на память // «Foto&video» : журнал. — 2005. — № 3. — С. 72—75.



