Усилитель низкой частоты

Усили́тель звуково́й частоты́ (УЗЧ)[1], усилитель ни́зкой частоты (УНЧ)[2][3][4][5], усилитель мо́щности звуковой частоты (УМЗЧ) — электронный прибор (электронный усилитель), предназначенный для усиления электрических колебаний, соответствующих слышимому человеком звуковому диапазону частот, таким образом к данным усилителям предъявляется требование усиления в диапазоне частот от 20 до 20 000 Гц по уровню −3 дБ, лучшие образцы УЗЧ имеют диапазон от 0 Гц до 200 кГц, простейшие УЗЧ имеют более узкий диапазон воспроизводимых частот. Может быть выполнен в виде самостоятельного устройства, или использоваться в составе более сложных устройств — телевизоров, музыкальных центров, активных акустических систем, радиоприёмников, радиопередатчиков, радиостанций и т. д.

Схемотехника и применение

undefined
undefined
undefined

Усилители низкой частоты наиболее широко применяются для усиления сигналов, несущих звуковую информацию, в этих случаях они называются также усилителями звуковой частоты. Кроме этого УНЧ используются для усиления информационного сигнала в различных сферах: измерительной технике и дефектоскопии; автоматике, телемеханике и аналоговой вычислительной технике; в других отраслях электроники.

Усилитель звуковых частот обычно состоит из предварительного усилителя и усилителя мощности (УМ). Предварительный усилитель предназначен для повышения мощности и напряжения и доведения их до величин, нужных для работы оконечного усилителя мощности, зачастую включает в себя регуляторы громкости, тембра или эквалайзер, иногда может быть конструктивно выполнен как отдельное устройство. Усилитель мощности должен отдавать в цепь нагрузки (потребителя) заданную мощность электрических колебаний. Его нагрузкой могут являться: акустические системы (колонки), наушники; радиотрансляционная сеть или модулятор радиопередатчика. Усилитель низких частот является неотъемлемой частью всей звуковоспроизводящей, звукозаписывающей и радиотранслирующей аппаратуры. Усилители низких частот широко используют в сфере автозвука и автоакустики.

Классификация

По схемотехнике выходного каскада

По режиму работы выходного каскада

undefined

В зависимости от режима работы выходного каскада усилители делятся на:

  • класс, или режим «A» — режим работы, в котором каждый активный прибор (лампа или транзистор) выходного каскада всегда работает в линейном режиме. При воспроизведении гармонических сигналов угол отсечки активного прибора равен 180°: прибор никогда не закрывается и, как правило, никогда не переходит в режим насыщения или ограничения тока. Все линейные однотактные усилители работают в режиме А.
  • класс «AB» — режим работы двухтактного каскада, промежуточный между режимами А и В. Угол отсечки каждого активного прибора существенно больше 90°, но меньше 180°.
  • класс «B» — режим работы двухтактного каскада, в котором каждый активный прибор воспроизводит с минимальными искажениями сигнал одной полярности (либо только положительные, либо только отрицательные значения входного напряжения). При воспроизведении гармонических сигналов угол отсечки активного прибора равен 90° или несколько превышает это значение. Для уменьшения нелинейных искажений при переходе сигнала через ноль выходные лампы или транзисторы работают с небольшими, но не нулевыми токами покоя. Установка нулевого тока покоя переводит каскад из режима B в режим С: угол отсечки приобретает значение менее 90°, при переходе через ноль оба плеча двухтактной схемы находятся в отсечке. Режим С в звуковой технике не применяется из-за недопустимо высоких искажений.
undefined
  • класс «D» — режим работы каскада, в котором активный прибор работает в ключевом режиме. Управляющая схема преобразует входной аналоговый сигнал в последовательность импульсов промодулированных по ширине (ШИМ), управляющих мощными выходным ключом (ключами). Выходной LC-фильтр, включённый между ключами и нагрузкой, усредняет импульсный сигнал от ключей, восстанавливая звуковой сигнал.

Режиму А свойственны наилучшая линейность при наибольших потерях энергии, режиму D — наименьшие потери при удовлетворительной линейности. Совершенствование базовых схем в режимах А, AB, B и D породило целый ряд новых «классов», от «класса АА» до «класса Z». Одни из них, например, конструктивно схожие усилители звуковых частот «класса S» и «класса АА», подробно описаны в литературе, другие («класс W», «класс Z») известны только по рекламе производителей.

По конструктивным признакам

undefined

По типу применения в конструкции усилителя активных элементов

  • ламповые — на электронных лампах. Составляли основу всего парка УНЧ до 70-х годов. В 60-х годах выпускались ламповые усилители очень большой мощности (до десятков киловатт). В настоящее время используются в качестве инструментальных усилителей и в качестве звуковоспроизводящих усилителей. Составляют львиную долю аппаратуры класса HI-END (см. статью Ламповый звук). А также занимают большую долю рынка профессиональной и полупрофессиональной гитарной усилительной аппаратуры.
  • транзисторные — на биполярных или полевых транзисторах. Такая конструкция оконечного каскада усилителя является достаточно популярной, благодаря своей простоте и возможности достижения большой выходной мощности, хотя в последнее время активно вытесняется усилителями на базе интегральных микросхем.
  • интегральные — на интегральных микросхемах (ИМС). Существуют микросхемы, содержащие на одном кристалле как предварительные усилители, так и оконечные усилители мощности, построенные по различным схемам и работающие в различных классах. Из преимуществ — минимальное количество элементов и, соответственно, малые габариты.
  • гибридные — часть каскадов собрана на полупроводниковых элементах, а часть на электронных лампах. Иногда гибридными также называют усилители, которые частично собраны на интегральных микросхемах, а частично на транзисторах или электронных лампах.
  • на магнитных усилителях. В качестве усилителей звуковых частот большой мощности предлагались, как альтернатива электронным лампам в 30 — 50 годы американскими[6] и немецкими инженерами. В настоящее время являются «забытой» технологией[7].
  • микротелефонные (англ. carbon amplifier). Такой усилитель представляет собой сочетание электромагнитного звукоизлучателя и угольного микрофона, объединённых общей мембраной. В прошлом усилители этого типа находили применение в слуховых аппаратах.
  • пневматические (en:compressed air gramophone). В таком усилителе источник колебаний (например, маломощный громкоговоритель, граммофонная игла) приводит в движение модулятор интенсивности потока воздуха от компрессора, за счёт чего происходит усиление амплитуды колебаний по мощности.

По виду согласования выходного каскада с нагрузкой

undefined

По виду согласования выходного каскада усилителя с нагрузкой их можно разделить на два основных типа:

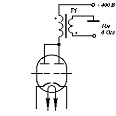
  • трансформаторные — в основном такая схема согласования применяется в ламповых усилителях. Обусловлено это необходимостью согласования большого выходного сопротивления лампы с малым сопротивлением нагрузки, а также необходимостью гальванической развязки выходных ламп и нагрузки. Некоторые транзисторные усилители (например, трансляционные усилители, обслуживающие сеть абонентских громкоговорителей (см. Проводное вещание), двухтактные усилители многих радиоприёмников на германиевых транзисторах, некоторые Hi-End аудиоусилители) также имеют трансформаторное согласование с нагрузкой.
  • бестрансформаторные — в силу дешевизны, малого веса и большой полосы частот бестрансформаторные усилители получили наибольшее распространение. Бестрансформаторные двухтактные схемы легко реализуются на транзисторах. Обусловлено это низким выходным сопротивлением транзисторов в схеме эмиттерного (истокового) повторителя, возможностью применения комплементарных пар транзисторов. Мощные бестрансформаторные УМЗЧ имеют двухполярное питание, и позволяют подключать акустические системы непосредственно к выходу усилителя без разделительного конденсатора. Однако такие схемы обязательно имеют систему защиты АС от аварийного появления постоянного напряжения на выходе УМЗЧ (например, из-за пробоя одного из выходных транзисторов или пропадания одного из питающих напряжений). На лампах бестрансформаторные схемы реализовать сложнее, это либо схемы, работающие на высокоомную нагрузку, либо сложные схемы с большим количеством параллельно работающих выходных ламп.

По типу согласования выходного каскада с нагрузкой

  • Согласование по напряжению — выходное сопротивление УМ много меньше омического сопротивления нагрузки. В настоящее время является наиболее распространённым. Позволяет передать в нагрузку форму напряжения с минимальными искажениями и получить хорошую АЧХ. УМЗЧ хорошо подавляют резонанс низкочастотных громкоговорителей и хорошо работают с пассивными разделительными фильтрами многополосных акустических систем, рассчитанными на источник сигнала с нулевым выходным сопротивлением. В настоящее время используется повсеместно.
  • Согласование по мощности — выходное сопротивление УМ равно или близко сопротивлению нагрузки. Позволяет передать в нагрузку максимум мощности от усилителя, из-за чего в прошлом было весьма распространённым в маломощных простых устройствах. Сейчас является основным типом для работы на линию с известным волновым сопротивлением (например, LAN), и иногда в выходных каскадах ламповых усилителей. По сравнению с предыдущим типом, обеспечивает лучшее использование усилительного прибора по мощности (требуется меньшее число усилительных каскадов, что важно для ламповых усилителей) однако ухудшает АЧХ и приводит к недостаточному демпфированию резонансов акустической системы, в результате чего форма сигнала искажается.
  • Согласование по току — выходное сопротивление УМ много больше сопротивления нагрузки. В основе такого согласования — следствие из закона Лоренца, согласно которому звуковое давление пропорционально току в катушке ГД. Позволяет сильно (на два порядка) уменьшить интермодуляционные искажения в ГД и их ГВЗ (групповое время задержки). УМЗЧ слабо подавляют резонанс низкочастотных громкоговорителей и плохо работают с пассивными разделительными фильтрами многополосных акустических систем, которые обычно рассчитаны на источник сигнала с нулевым выходным сопротивлением. В настоящее время используется крайне редко.

Примечания