Кольцевой генератор
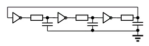
Кольцевой генератор — электронное устройство, состоящее из нечётного числа инвертирующих каскадов или цифровых инверторов и служащее для генерации последовательности прямоугольных импульсов. Генерация возникает за счёт того, что коэффициент усиления цепи элементов больше единицы, а фазовая задержка более 180 градусов. Замыкание входа и выхода одиночного каскада, как правило, не приводит к генерации, так как выполняется только первое условие. Один инвертирующий каскад с линией задержки (Фиг. 1) в связи вход-выход, однако, способен к генерации.
Простейший генератор (Фиг. 2) может быть построен соединением в кольцо трёх инверторов. Подобная схема стартует сразу после подачи питания и генерирует сигнал с частотой 1/6Td, где Td — задержка распространения сигнала через одиночный инвертор. В «чистом» виде подобный генератор обладает сильной зависимостью частоты от питающего напряжения и температуры, а также от свойств транзисторов из которых построены цифровые инверторы. Это свойство, однако, применяется в интегральных микросхемах для контроля параметров процесса. Небольшой тестовый блок состоящий из типичных (библиотечных) элементов, как инвертора, И-НЕ, ИЛИ-НЕ элементов объединенных в кольцевые генераторы, генерирует набор сигналов, измерение частоты которых даёт информацию о задержках каждого из элементов для данного процесса, напряжения питания и температуры.
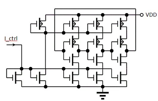
Ограничение тока через инвертор с помощью пары токовых зеркал (Фиг. 3) позволяет управлять задержкой распространения сигнала, и соответственно частотой кольцевого генератора. В таком виде кольцевой генератор может быть использован в качестве элемента ФАПЧ (PLL). Каждый из составляющих кольцевой генератор инверторов может быть дополнен RC-цепочкой. В этом случае (Фиг. 4) задержка на элемент будет в меньшей степени определяться самим инвертером, и в большей степени задержкой RC-цепи. Это позволяет получить генератор с частотой гораздо в меньшей степени зависящей от параметров транзисторов, напряжения питания и температуры. Простейший 3х-элементный кольцевой генератор (Фиг. 2) имеет на выходе 3 сигнала сдвинутых по фазе на 120 градусов. Используя 5, 7 и более каскадов можно получить произвольное количество фаз, однако стоит избегать числа каскадов не равного простому числу, например 9 или 15. Проблема состоит в том, что в генераторе состоящем из, например 9и элементов могут возникать как колебания с частотой 1/18Td, так и колебания с частотой 1/6Td. То есть по кольцу будут распространяться группы сигналов в виде трёх логических единиц, и трёх «нулей». Часто возникающая задача получения тактовых импульсов со сдвигом в 90 и 180 градусов может быть решена объединением трёхэлементных кольцевых генераторов в более сложную структуру (Фиг. 5). Такая схема генерирует две пары комплементарных сигналов сдвинутых на 90 градусов. Существуют структуры, состоящие из инверторов, для генерации восьми и более фаз. Иногда требуется получение нечётного количества фаз, но простая схема из, к примеру, 5и инверторов имеет суммарную задержку не позволяющую получить сигнал требуемой частоты. В этом случае возможно построение пяти-фазного кольцевого генератора из нескольких трёхэлементных (Фиг. 6).




