Электронный пускорегулирующий аппарат
Электро́нный пу́скорегули́рующий аппара́т (ЭПРА, электронный балласт) — электронное устройство, осуществляющее пуск и поддержание рабочего режима газоразрядных осветительных ламп.
Недостатками классического пускорегулирующего аппарата (ПРА) люминесцентных ламп являются:
- громоздкий шумный дроссель с ненадёжным стартером;
- мерцание с частотой сети (эффект стробирования);
- вышедший из строя стартер вызывает фальстарт лампы (визуально определяется несколько вспышек перед стабильным зажиганием), сокращая срок службы нитей накала.
- довольно высокие потери (низкий КПД)
В связи с наличием недостатков классического ПРА, применяемого для включения газоразрядных ламп, начались разработки альтернативного пускорегулирующего устройства на полупроводниковых элементах. Первые ЭПРА появились в 1980-х, а широкое их применение началось в 1990-е годы.
Помимо отсутствия перечисленных выше недостатков классических пускорегулирующих аппаратов, ЭПРА обладают рядом преимуществ — стабильность освещения в широком диапазоне питающих напряжений, увеличение срока службы ламп (путём обеспечения стабильного «тёплого» старта) и возможность плавного регулирования их яркости (как дополнительная опция) при помощи внешнего регулятора. Коэффициент мощности даже без корректора намного выше, чем у стартерно-дроссельной схемы; с корректором мощности же ЭПРА по этому параметру сравниваются с резистивной нагрузкой с КМ стремящимся к 1.
Устройство ЭПРА
Типичный ЭПРА состоит из следующих блоков:
- Фильтр электромагнитных помех — отфильтровывает как входящие в ЭПРА из сети помехи, так и проникающие из ЭПРА в электросеть.
- Выпрямитель.
- Схема коррекции коэффициента мощности (опционально).
- Сглаживающий фильтр.
- Инвертор.
- Балласт (дроссель).
Инвертор может оснащаться устройством плавного регулирования яркости, требующим использования внешнего светорегулятора, специально предназначенного для управления электронным балластом.
Схема ЭПРА может быть мостовой и полумостовой. Первая имеет вдвое большее количество ключевых элементов (как правило, это биполярные транзисторы, но в мощных ЭПРА применяются также мощные полевые транзисторы). Мостовая схема используется при больших мощностях ламп (сотни ватт). Вторая схема применяется намного чаще и, хотя она имеет более низкий КПД по сравнению с мостовой, использование специальных микросхем-драйверов, управляющих ключевыми элементами ЭПРА (например, марки ICB1FL02G) в значительной степени компенсирует этот недостаток. Указанные микросхемы применяются и в мощных ЭПРА. В маломощных ЭПРА инвертор обычно строится по схеме автогенератора с трансформаторной положительной обратной связью.
Более дорогие ЭПРА, помимо перечисленных выше элементов, часто содержат встроенную защиту от перепадов напряжения сети, импульсных помех и блокировку запуска в случае отсутствия лампы или её отказе.
Выпускается много различных моделей ЭПРА различающихся по мощности и виду управления: стандартные аналоговые (с управлением 1—10 В) и цифровым управлением (DALI) ЭПРА.
Возможности энергосбережения с управляемыми ЭПРА до 85 % по сравнению с традиционными ПРА.
Устройство и работа маломощного ЭПРА
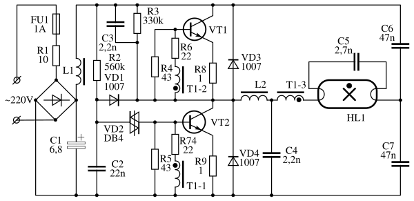
В маломощных, обычно встраиваемых в цоколь люминесцентной лампы ЭПРА (вариант часто используемой схемы см. рисунок) инвертор обычно представляет собой двухтактный полумостовой преобразователь напряжения (реже применяется полномостовая схема). Напряжение сети выпрямляется диодным мостом и сглаживается фильтрующим конденсатором C1. Далее двухтактный полумостовой инвертор выполненный на двух n-p-n-транзисторах VT1, VT2 преобразует постоянное напряжение с диодного моста в высокочастотное напряжение. Последовательно с нагрузкой полумостового инвертора включён тороидальный трансформатор Т1 с тремя обмотками, две из которых управляют базами транзисторов и противофазно открывают транзисторные ключи, а третья обмотка — это первичная обмотка обратной связи транзисторного автогенератора. Последовательно с трансформатором включён дроссель L2, ограничивающий ток газового разряда люминесцентной лампы HL1. Так как инвертор работает на высокой частоте (несколько десятков кГц), дроссель имеет малые размеры, в отличие от громоздких дросселей классической схемы, работающих на промышленной частоте (50 или 60 Гц). Конденсатор C5, включённый последовательно с нитями накала, обеспечивает некоторый ток через нити и их накал во время работы. Так как генератор выполнен по схеме с жёстким возбуждением, для запуска генерации необходимо подать импульс запуска генератора — кратковременно открыть один из транзисторов. Для запуска генератора служит цепь, в которую включён динистор VD2. При подаче питания через резистор R2 заряжается конденсатор С2, при достижении на нём напряжения открывания VD2, тот открывается и на базу VT2 подаётся положительный запускающий импульс. При работе генератора С2 разряжается в каждом полупериоде почти до нулевого напряжения через диод VD1, напряжение на VD2 не достигает напряжения его пробоя и при нормальной работе генератора цепь запуска неактивна. Начальный импульс напряжения для поджигания газового разряда обеспечивает колебательный резонансный контур, состоящий из дросселя, конденсаторов С3 и С4. При резонансе напряжений в этом контуре напряжение на С4 высокое и превышает напряжения зажигания лампы. После зажигания газового разряда колебательный контур оказывается шунтирован малым сопротивлением газоразрядного промежутка, добротность контура падает и исчезает перенапряжение на С4 — устройство переходит в нормальный режим работы. Катушка индуктивности L1 служит для подавления проникновения в питающую сеть радиочастотных помех от инвертора.
Работа ЭПРА
Работа ЭПРА делится на три фазы:
- Предварительный разогрев электродов лампы. Делает запуск лампы мгновенным, мягким (продлевает срок службы лампы) и возможным при низких температурах окружающей среды.
- Поджиг — ЭПРА генерирует импульс высокого (до 1,6 кВ) напряжения, вызывающего пробой газа, наполняющего колбу лампы. ЭПРА для запуска металлогалогеновых ламп имеют более мощный импульс зажигания, который составляет не менее 4...5 кВ.
- Горение — на электродах лампы поддерживается небольшое напряжение, достаточное для поддержания её горения.
Фото
Примечания
Литература
Краснопольский А. Е. Пускорегулирующие аппараты для газоразрядных ламп. — М.: Энергоатомиздат, 1988. — 207 с.
Схемотехника устройств на мощных полевых транзисторах: Справочник /В. В. Бачурин, В. Я. Ваксенбург, В. П. Дьяконов и др. — М.: Радио и связь, 1994. — 207 с.
Ссылки
- Обзор ЭПРА на сайте www.gaw.ru


