Матрица Батлера
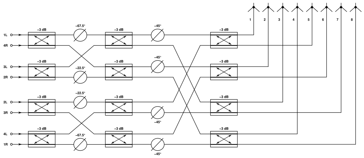
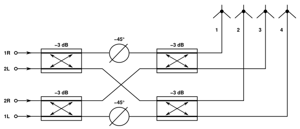
Матрица Батлера — это сеть формирования диаграммы направленности, используемая для питания фазированной антенной решётки с несколькими антенными элементами. Её основное назначение — управление направлением одного или нескольких лучей радиопередачи. Матрица строится как сеть (где — степень двойки), состоящая из гибридных ответвителей и фазовращателей с фиксированным значением на соединениях. К устройству подключают входных портов (лучевые порты), куда подается мощность, и выходных портов (элементные порты), к которым подключены антенных элементов. Матрица Батлера подаёт мощность на элементы с прогрессивной разностью фаз между ними, формируя луч радиопередачи в нужном направлении. Переключая подачу мощности к определённому лучевому порту, можно управлять направлением луча. Допускается одновременная активация более чем одного, вплоть до всех лучей.
Концепция впервые была предложена Батлером и Лоу в 1961 году[1] и развивает работы Бласса 1960 года[2]. Преимущество матрицы Батлера по сравнению с другими методами углового формирования луча — простота аппаратной реализации. Она требует значительно меньше фазовращателей, может быть реализована в микрополосковом исполнении на недорогих печатных платах[3].
Антенные элементы
Антенные элементы, питаемые матрицей Батлера, чаще всего представляют собой рупорные антенны — особенно на микроволновых частотах, где обычно применяют матрицы Батлера[4]. Рупоры обладают ограниченной полосой пропускания, для получения большего диапазона (например, более одной октавы) могут использоваться более сложные антенны[2]. Элементы обычно размещают в линейный массив[2]. Однако матрица Батлера может питать и кольцевую решётку, обеспечивая всенаправленное покрытие на 360°. Дополнительно, при использовании кольцевой решётки можно сформировать всенаправленных лучей с ортогональными фазовыми модами, что позволяет нескольким мобильным станциям одновременно использовать одну и ту же частоту, каждая с отдельной фазовой модой[5]. Кольцевая решётка может одновременно формировать всенаправленный и несколько направленных лучей при питании через две матрицы Батлера, соединённые последовательно[6].
Матрицы Батлера применяются с передатчиками и приёмниками. Поскольку они пассивны и взаимны, одна и та же матрица может обслуживать оба режима — например, в приёмопередатчике. В режиме передачи она обеспечивает передачу всей мощности передатчика в луч, а в режиме приёма собирает сигналы из каждого направления луча с полной усилительной характеристикой антенной решётки[7].
Компоненты
Основные компоненты для построения матрицы Батлера — это гибридные ответвители и фазовращатели с фиксированным значением фазы. Для тонкой подстройки направления луча могут использоваться дополнительные переменные фазовращатели[8]. Совместное использование переменных фазовращателей и переключения мощности между лучевыми портами позволяет осуществлять плавное сканирование лучом[9].
Ещё один возможный элемент — плоский разветвитель (кроссовер) на распределённых элементах. Микроволновые схемы часто выполняют в виде микрополосковой полосы. Обычно линии, которые необходимо пересечь, реализуют как воздушный мостик, но в этом случае возникает неизбежная взаимная связь между пересекающимися проводниками[10]. Альтернативой служит кроссовер в виде ответвителя с ветвями (branch-line coupler), что позволяет полностью реализовать матрицу Батлера на печатной плате и, соответственно, экономичнее[11]. Такой кроссовер эквивалентен двум 90° гибридным ответвителям, соединённым последовательно. Это добавляет дополнительный фазовый сдвиг в 90° на пересекающихся линиях, который компенсируют эквивалентной корректировкой фазовращателя в непересекающихся линиях. Идеальный кроссовер-ответвитель теоретически не вносит связь между двумя пересекающимися путями[12]. В такой реализации фазовращатели выполняют в виде линий задержки нужной длины, представляющих собой зигзагообразную дорожку на печатной плате[13].
Микрополосковая технология дёшево стоит, но годится не для всех случаев. При большом числе антенных элементов путь сигнала проходит много гибридных ответвителей и фазовращателей, кумулятивные внесённые потери из-за каждого из них могут сделать схему непригодной для применения. Для снижения потерь, особенно на высоких частотах, применяют волноводы, у которых потери значительно ниже, но они дороже, громоздки и тяжелее — что особенно важно для авиационной техники. Менее громоздким, но тоже менее потерями, чем микрополосковая технология, вариантом является подложечный волновод (substrate-integrated waveguide)[14].
Применение
Обычное применение матриц Батлера — базовые станции мобильных сетей, где лучи ориентируют на мобильного абонента[15].
Линейные антенные решётки, питаемые матрицами Батлера или другими сетями формирования луча (beamforming), используются для создания сканирующего луча в приложениях радиопеленгации. Такие системы важны для военных систем раннего оповещения и локации целей[16], особенно в военно-морских комплексах благодаря широкому угловому охвату[4]. Широко ценится также быстродействие электронной перестройки (по сравнению с механическим сканированием, которое требует времени на стабилизацию сервоприводов)[17].
Схема 2×2 матрицы[18] |
Направленность, формируемая 2×2 матрицей[18] |
Направленность, формируемая 4×4 матрицей[20] |
Микрополосковая 4×4 матрица Батлера 2,4 ГГц[21] |
Диаграмма направленности, формируемая 8×8 матрицей[22] |
Анализ
Линейная антенная решётка формирует луч, перпендикулярный линии элементов (боковой луч, broadside beam), если все элементы получают сигнал в фазе. При подаче с прогрессивной разностью фаз
формируется луч вдоль линии (endfire beam). Промежуточные значения фазового сдвига обеспечивают направление между этими крайними положениями[2]. В матрице Батлера сдвиг фазы для каждого луча вычисляется по формуле:
а угол между крайними лучами задаётся как
Из формулы видно, что уменьшается при увеличении частоты. Это явление называется наклон луча (beam squint). И матрица Бласса, и матрица Батлера подвержены наклону луча, что ограничивает достижимую полосу частот[24]. Также по мере отклонения луча от оси максимум поля уменьшается[25].
Общее количество необходимых блоков схемы:
- гибридных ответвителей и
- фиксированных фазовращателей[19].
Поскольку всегда степень двойки (), для гибридов требуется , для фазовращателей .
- Обозначения, использованные в формулах
- — число антенных элементов и портов луча
- — расстояние между элементами
- — номер антенного порта
- — длина волны
- — частота
- — фазовый сдвиг
- — угол
- — скорость света
Для ортогональности (то есть, чтобы лучи не мешали друг другу) их формы должны соответствовать критерию Найквиста для ISI, но с заменой времени на расстояние. При форме луча в виде функции sinc их перекрытия должны быть на уровне от пика (примерно минус 4 дБ)[26].
Примечания
Литература
- Balanis, Constantine A.; Ioannides, Panayiotis I. Introduction to Smart Antennas. Morgan & Claypool, 2007. ISBN 9781598291766.
- Blass, J. «Multidirectional antenna — a new approach to stacked beams». 1958 IRE International Convention Record, 1966.
- Butler, J.; Lowe, R. Beam forming matrix simplifiers design of electrically scanned antennas. Electronic Design, 1961.
- Comitangelo, R.; Minervini, D.; Piovano, B. «Beam forming networks of optimum size and compactness for multibeam antennas at 900 MHz». IEEE Antennas and Propagation Society International Symposium 1997, vol. 4, pp. 2127–2130, 1997.
- Fujimoto, Kyohei. Mobile Antenna Systems Handbook. Artech House, 2008. ISBN 9781596931275.
- Haupt, Randy L. Timed Arrays: Wideband and Time Varying Antenna Arrays. Wiley, 2015. ISBN 9781118860144.
- Innok, Apinya; Uthansakul, Peerapong; Uthansakul, Monthippa. «Angular beamforming technique for MIMO beamforming system». International Journal of Antennas and Propagation, vol. 2012, iss. 11, декабрь 2012.
- Josefsson, Lars; Persson, Patrik. Conformal Array Antenna Theory and Design. Wiley, 2006. ISBN 9780471780113.
- Lipsky, Stephen E. Microwave Passive Direction Finding. SciTech Publishing, 2004. ISBN 9781891121234.
- Milligan, Thomas A. Modern Antenna Design. Wiley, 2005. ISBN 9780471720607.
- Poisel, Richard. Electronic Warfare Target Location Methods. Artech House, 2012. ISBN 9781608075232.
- Sturdivant, Rick; Harris, Mike. Transmit Receive Modules for Radar and Communication Systems. Artech House, 2015. ISBN 9781608079803.
- Tzyh-Ghuang Ma, Chao-Wei Wang, Chi-Hui Lai, Ying-Cheng Tseng. Synthesized Transmission Lines. Wiley, 2017. ISBN 9781118975725.


